Blower & A/C Control System (Manual)
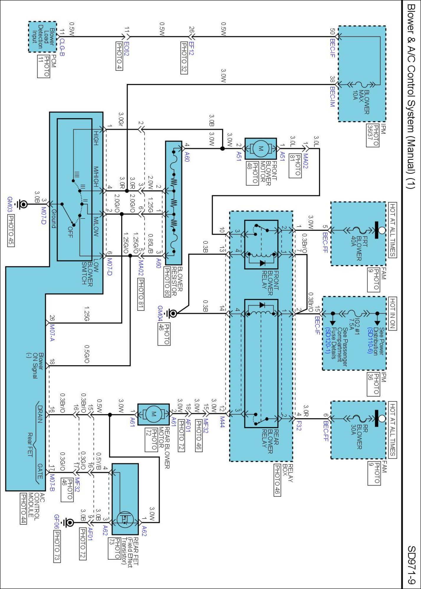
SD971-9 Blower And A/C Control System (Manual) (1):

SD971-10 Blower And A/C Control System (Manual) (2):

SD971-11 Blower And A/C Control System (Manual) (3):

SD971-12 Blower And A/C Control System (Manual) (4):

Blower And A/C Control System (Manual) (5) Connector Pin Outs:

Blower And A/C Control System (Manual) (6) Connector Pin Outs:

Diagrams: Other diagrams referred to by SD number (i.e. SD130-4, etc.) within these diagrams can be found at Diagrams by Number. Diagrams By Number
Locations: Location photographs (references to PHOTOS) referred to within these diagrams can be found via the photo number at the vehicle level under Locations by Photo Number. Locations By Photo Number