Repair Procedures
Removal and Installation
Starter
1. Disconnect the battery negative cable.
2. Remove the starter cover (A).
Tightening torque :
Bolts : 8.8 - 13.7N.m (0.9 - 1.4kgf.m, 6.5 - 10.1lb-ft)
Nut : 3.9 - 5.9N.m (0.4 - 0.6kgf.m, 2.9 - 4.3lb-ft)

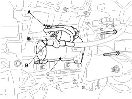
3. Disconnect the starter connector (A) and the cable (B) from the "B" terminal.
4. Remove the 2 bolts holding the starter, then remove the starter (C).
Tightening torque :
42.2 - 53.9N.m (4.3 - 5.5kgf.m, 31.1 - 39.8lb-ft)

5. Installation is the reverse of removal.
6. Connect the battery negative cable to the battery.
Tightening torque :
4.0 - 6.0N.m (0.4 - 0.6kgf.m, 3.0 - 4.4lb-ft)
Disassembly
1. Disconnect the M-terminal (A) on the starter solenoid assembly (B).

2. After loosening the 3 screws (A), detach the starter solenoid assembly (B).

3. Loosen the through bolts (A).

4. Remove the armature (A), the yoke (B), the brush holder assembly (C), and the rear housing (D).

5. Remove the lever packing (A) and the lever plate (B).

6. Remove the shield (A) and the packing (B).

7. Disconnect the planet gear (A).

8. Disconnect the planet shaft assembly (A) and the lever (B).

9. Press the stopper (A) using a socket (B).

10. After removing the stop ring (A) using stop ring pliers (B).

11. Disconnect the stopper (A), overrunning clutch (B), internal gear (C) and planet shaft (D).

NOTE:
Using a suitable pulling tool (A), pull the overrunning clutch stopper (C) over the stop ring (B).

12. Reassembly is the reverse of disassembly.
Inspection
Armature Inspection And Test
1. Remove the starter.
2. Disassemble the starter as shown at the beginning of this procedure.
3. Inspect the armature for wear or damage from contact with the permanent magnet. If there is wear or damage, replace the armature.

4. Check the commutator (A) surface. If the surface is dirty or burnt, resurface with emery cloth or a lathe within the following specifications, or recondition with #500 or #600 sandpaper (B).

5. Measure the commutator (A) runout.
A. If the commutator runout is within the service limit, check the commutator for carbon dust or brass chips between the segments.
B. If the commutator run out is not within the service limit, replace the armature.
Commutator runout
Standard (New): 0.05mm (0.0019in.) max
Service limit: 0.08mm (0.0031in.)

6. Check the mica depth (A). If the mica is too high (B), undercut the mica with a hacksaw blade to the proper depth. Cut away all the mica (C) between the commutator segments. The undercut should not be too shallow, too narrow, or v-shaped (D).
Commutator mica depth
Standard (New) : 0.8mm (0.0315in.)
Limit : 0.2mm (0.0079 in.)

7. Check for continuity between the segments of the commutator. If an open circuit exists between any segments, replace the armature.

8. Check with an ohmmeter that no continuity exists between the commutator (A) and armature coil core (B), and between the commutator and armature shaft (C). If continuity exists, replace the armature.

Inspect Starter Brush
Brushes that are worm out, or oil-soaked, should be replaced.

Starter Brush Holder Test
1. Check that there is no continuity between the (+) brush holder (A) and (-) plate (B). If there is continuity, replace the brush holder assembly.

2. Pry back each brush spring (A) with a screwdriver, then position the brush (B) about halfway out of its holder, and release the spring to hold it there.

3. Install the armature in the housing, and install the brush holder. Next, pry back each brush spring again, and push the brush down until it seats against the commutator, then release the spring against the end of the brush.
NOTE:
To seat new brushes, slip a strip of #500 or #600 sandpaper, with the grit side up, between the commutator and each brush, and smoothly rotate the armature. The contact surface of the brushes will be sanded to the same contour as the commutator.

Overrunning Clutch
1. Slide the overrunning clutch along the shaft.
Replace it if does not slide smoothly.
2. Rotate the overrunning clutch both ways.
Does it lock in one direction and rotate smoothly in reverse? If it does not lock in either direction or it locks in both directions, replace it.

3. If the starter drive gear is worn or damaged, replace the overrunning clutch assembly. (the gear is not available separately).
Check the condition of the flywheel or torque converter ring gear if the starter drive gear teeth are damaged.
Cleaning
1. Do not immerse parts in cleaning solvent. Immersing the yoke assembly and/or armature will damage the insulation. Wipe these parts with a cloth only.
2. Do not immerse the drive unit in cleaning solvent. The overrun clutch is pre-lubricated at the factory and solvent will wash lubrication from the clutch.
3. The drive unit may be cleaned with a brush moistened with cleaning solvent and wiped dry with a cloth.