Electronic Stability Control (ESC) System
SD588-1 Electronic Stability Control (ESC) System (1):

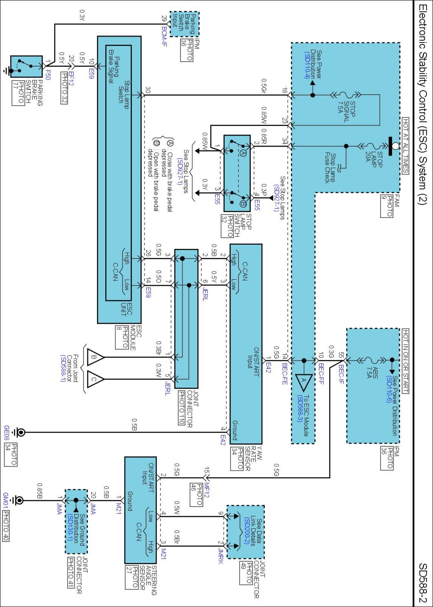
SD588-2 Electronic Stability Control (ESC) System (2):

SD588-3 Electronic Stability Control (ESC) System (3):

Electronic Stability Control (ESC) System (4) Connector Pin Outs:

Diagrams: Other diagrams referred to by SD number (i.e. SD130-4, etc.) within these diagrams can be found at Diagrams by Number. Diagrams By Number
Locations: Location photographs (references to PHOTOS) referred to within these diagrams can be found via the photo number at the vehicle level under Locations by Photo Number. Locations By Photo Number