Operation CHARM
: Car repair manuals for everyone.
Home
>>
Kia
>>
2011
>>
Sedona V6-3.5L
>>
Repair and Diagnosis
>>
Brakes and Traction Control
>>
Antilock Brakes / Traction Control Systems
>>
Diagrams
>>
Connector Views
>>
ESC (Electronic Stability Control) System
ESC (Electronic Stability Control) System
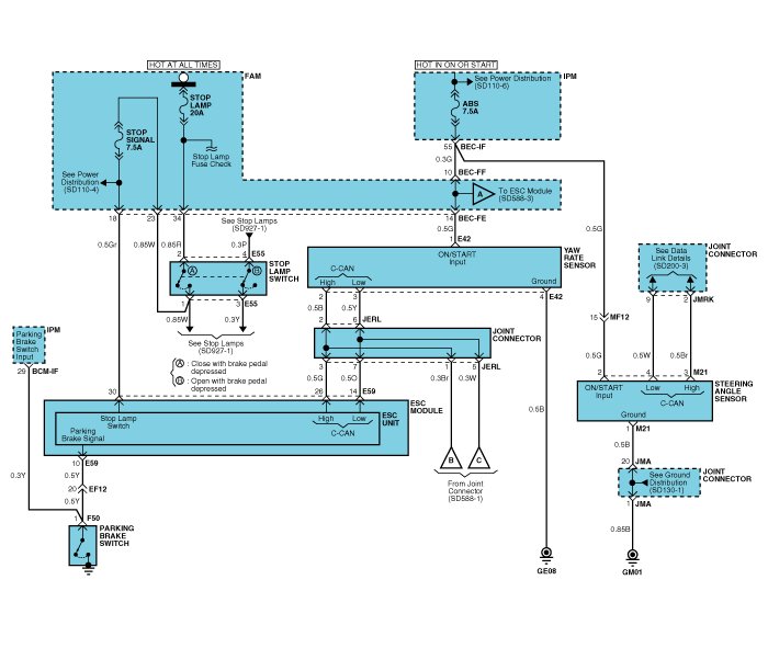
Circuit Diagram - ESC(1)
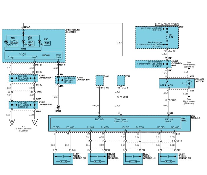
Circuit Diagram - ESC(2)
Circuit Diagram - ESC(3)
ESC HECU Connector input/output