Operation CHARM
: Car repair manuals for everyone.
Home
>>
Kia
>>
2011
>>
Sedona V6-3.5L
>>
Repair and Diagnosis
>>
Brakes and Traction Control
>>
Antilock Brakes / Traction Control Systems
>>
Diagrams
>>
Connector Views
>>
ABS (Anti-Lock Brake System)
ABS (Anti-Lock Brake System)
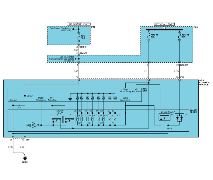
Circuit Diagram - ABS(1)
Circuit Diagram - ABS(2)
ECU Connector Input/Output(ABS)
ABS Hecu Connector
Sensor Output On GDS(ABS)