ESC (Electronic Stability Control) System
Description of ESC
Optimum driving safety now has a name : ESC, the Electronic Stability Control.
ESC recognizes critical driving conditions, such as panic reactions in dangerous situations, and stabilizes the vehicle by wheel-individual braking and engine control intervention with no need for actuating the brake or the gas pedal.
ESC adds a further function known as Active Yaw Control (AYC) to the ABS, TCS, EBD and ESC functions. Whereas the ABS/TCS function controls wheel slip during braking and acceleration and, thus, mainly intervenes in the longitudinal dynamics of the vehicle, active yaw control stabilizes the vehicle about its vertical axis.
This is achieved by wheel individual brake intervention and adaptation of the momentary engine torque with no need for any action to be taken by the driver.
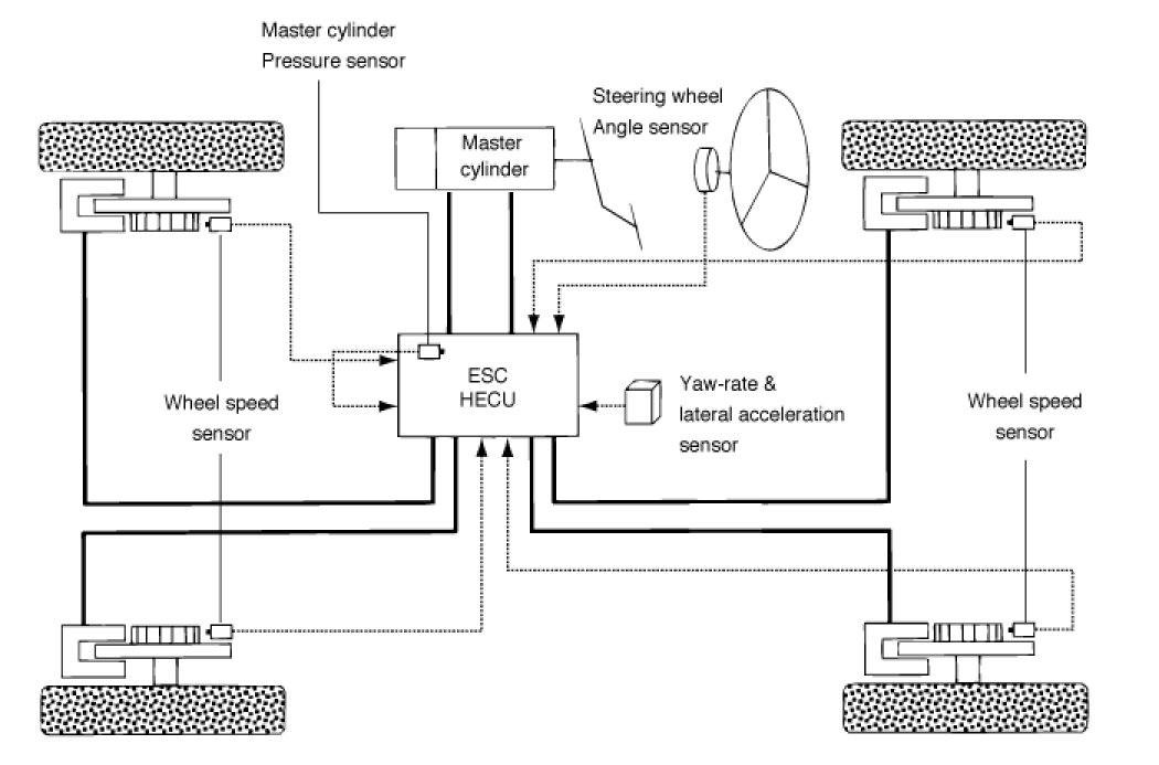
ESC essentially consists of three assemblies : the sensors, the electronic control unit and the actuators.
Of course, the stability control feature works under all driving and operating conditions. Under certain driving conditions, the ABS/TCS function can be activated simultaneously with the ESC function in response to a command by the driver.
In the event of a failure of the stability control function, the basic safety function, ABS, is still maintained.

Description of ESC Control
ESC system includes ABS/EBD, TCS and AYC (Active yaw control) function.
ABS/EBD function : The ECU changes the active sensor signal (current shift) coming from the four wheel sensors to the square waveform.By using the input of above signals, the ECU calculates the vehicle speed and the acceleration & deceleration of the four wheels.And, the ECU judges whether the ABS/EBD should be actuated or not.
TCS function prevents the wheel slip of drive direction by adding the brake pressure and engine torque reduction via CAN communication. TCS function uses the wheel speed sensor signal to determine the wheel slip as far as ABS function.
AYC function prevents unstable maneuver of the vehicle. To determine the vehicle maneuver, AYC function uses the maneuver sensor signals(Yaw Rate Sensor, Lateral Acceleration Sensor, Steering Wheel Angle Sensor).
If vehicle maneuver is unstable (Over Steer or Under Steer), AYC function applies the brake pressure on certain wheel, and send engine torque reduction signal by CAN.
After the key-on, the ECU continually diagnoses the system failure. (self-diagnosis)If the system failure is detected, the ECU informs driver of the system failure through the BRAKE/ABS/ESC warning lamp. (fail-safe warning)

Variant Coding
The HECU is programmed with a variant code based on the vehicle powertrain configuration. This variant code is used to determine the appropriate ESC calculations. Variant code programming should be performed whenever an HECU is replaced.

Procedure of Variant Coding
1. Install a PCM(ECM & TCM)/ESC normally.
2. Connect the GDS to the data link connector located underneath the crash pad.
3. Select vehicle name.
4. Select ANTI-LOCK BRAKE SYSTEM.
5. Select the variant coding.
6. Ignition "ON" & Engine "OFF".
7. Perform variant coding.

8. Ignition "OFF" and then ignition "ON".
9. The variant coding is completed.
CAUTION:
- If the warning lamp(ESC, EBD, ABS) is illuminated, follow the "Variant coding" again.
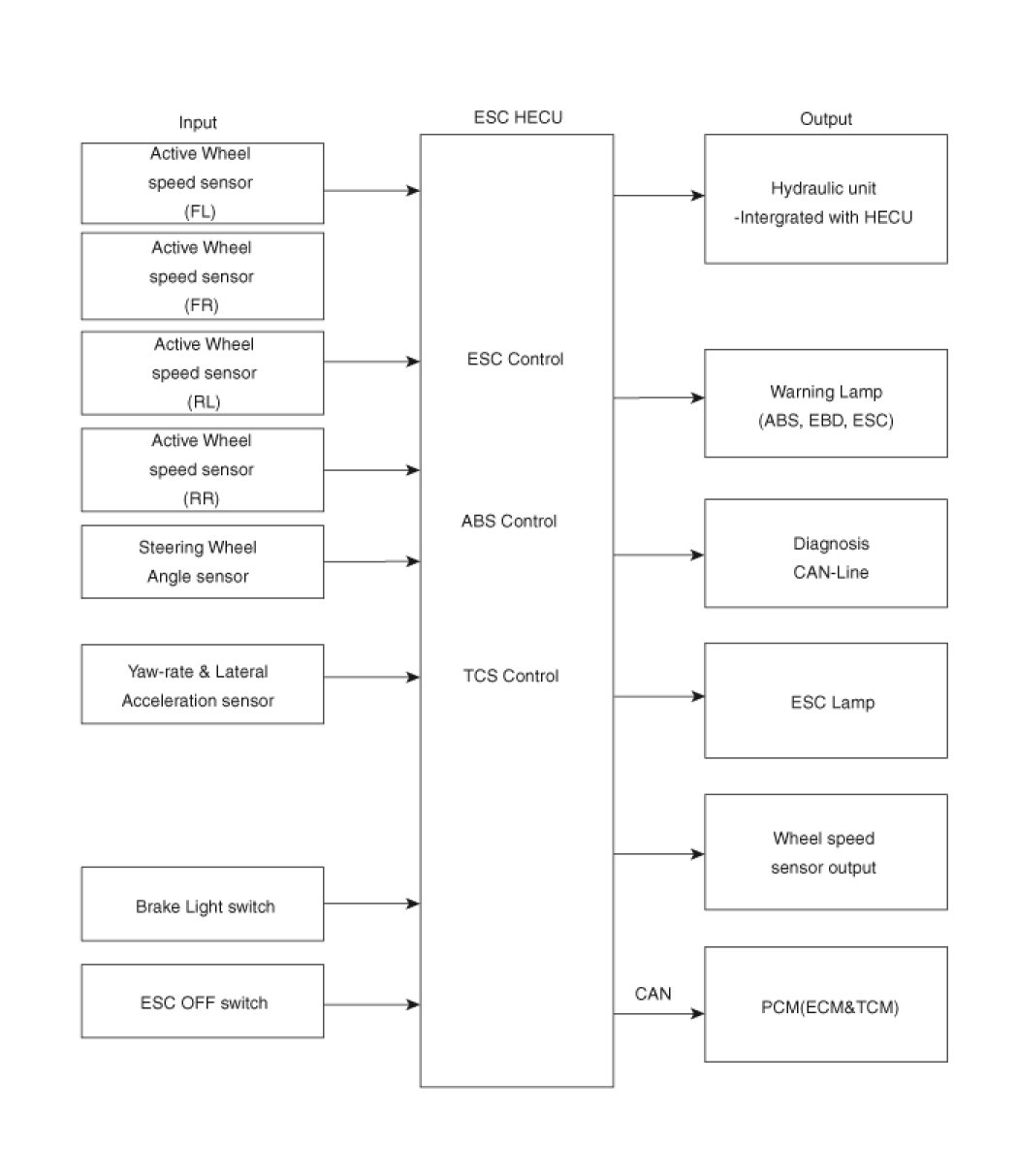
Input and Output Diagram

ESC Operation Mode
1. STEP 1
The ESC analyzes the intention of the driver.

2. STEP 2
It analyzes the movement of the ESC vehicle.

3. STEP 3
The HECU calculates the required strategy, then actuates the appropriate valves and sends torque control requests via CAN to maintain vehicle stability.
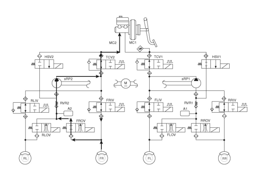
ESC Operation Mode
1. ESC Non-operation-Normal braking.


NOTE:
IV : Inlet Valve
OV : Outlet Valve
RL : Rear left wheel
FR : Front right wheel
FL : Front left wheel
RR : Rear right wheel
RP : Return pump
TCV : Traction Control Valve
HSV : High pressure Switch Valve
2. ESC Increase Mode


NOTE:
IV : Inlet Valve
OV : Outlet Valve
RL : Rear left wheel
FR : Front right wheel
FL : Front left wheel
RR : Rear right wheel
RP : Return pump
TCV : Traction Control Valve
HSV : High pressure Switch Valve
3. ESC Hold Mode ( FR is only controlled.)


NOTE:
IV : Inlet Valve
OV : Outlet Valve
RL : Rear left wheel
FR : Front right wheel
FL : Front left wheel
RR : Rear right wheel
RP : Return pump
TCV : Traction Control Valve
HSV : High pressure Switch Valve
4. ESC Decrease Mode (FR is only controlled)


NOTE:
IV : Inlet Valve
OV : Outlet Valve
RL : Rear left wheel
FR : Front right wheel
FL : Front left wheel
RR : Rear right wheel
RP : Return pump
TCV : Traction Control Valve
HSV : High pressure Switch Valve

ABS Warning lamp
The active ABS warning lamp indicates the self-test and failure status of the ABS.The ABS warning lamp shall be on:
- During the initialization phase after IGN ON. (continuously 3 seconds).
- In the event of inhibition of ABS functions by failure.
- During diagnostic mode.
- When the ECU Connector is separated from ECU.
EBD/parking brake warning lamp
The active EBD warning lamp indicates the self-test and failure status of the EBD. However, in case the Parking Brake Switch is turned on, the EBD warning lamp is always turned on regardless of EBD functions. The EBD warning lamp shall be on:
- During the initialization phase after IGN ON. (continuously 3 seconds).
- When the Parking Brake Switch is ON or brake fluid level is low.
- When the EBD function is out of order.
- During diagnostic mode.
- When the ECU Connector is separated from ECU.
ESC OFF Lamp (ESC System)
The ESC OFF lamp indicates the self-test and ON/OFF status of the ESC.
The ESC OFF lamp is turned on under the following conditions :
- During the initialization phase after IGN ON. (continuously 3 seconds).
- When driver turn off the ESC function by on/off switch.
ESC Function/Warning Lamp (ESC system)
The ESC Function/Warning lamp indicates the self-test and operating status of the ESC and failure status of the ESC.
The ESC Function/Warning lamp operates under the following conditions :
- During the initialization phase after IGN ON. (continuously 3 seconds).
- When the ESC control is operating. (Blinking - 2Hz)
- In the event of inhibition of ESC functions by failure.
- During diagnostic mode.
- When the ECU connector is separated form ECU.
ESC On/Off Switch (ESC system)
The ESC On/Off Switch shall be used to toggle the ESC function between On/Off states based upon driver input.
The On/Off switch shall be a normally open, momentary contact switch.
Initial status of the ESC function is on and the switch is used to request an ESC status change.