ABS (Anti-Lock Brake System)
Description
This specification applies to HCU(Hydraulic Control Unit) and ECU(Electronic Control Unit) of the HECU.(Hydraulic and Electronic Control Unit)
This specification is for the wiring design and installation of ABS/ECU.
This unit has the functions as follows.
- Input of signal from the wheel speed sensors attached to each wheel.
- Control of braking force.
- Failsafe function.
- Self diagnosis function.
- Interface with the external diagnosis tester.
Installation Position : Engine Compartment
- Brake tube length from Master cylinder port to HECU inlet port should be max. 1m
- The position should not be close to the engine block and not lower than the wheel.
Operation
The ECU shall be put into operation by switching on the operating voltage (IGN).
On completion of the initialization phase, the ECU shall be ready for operation.
In the operating condition, the ECU shall be ready, within the specified limits (voltage and temperature), to process the signals offered by the various sensors and switches in accordance with the control algorithm defined by the software and to control the hydraulic and electrical actuators.
Wheel Sensor Signal Processing
The ECU shall receive wheel speed signal from the four active wheel sensors.
The wheel signals are converted to voltage signal by the signal conditioning circuit after receiving current signal from active wheel sensors and given as input to the MCU.
Solenoid Valve Control
When one side of the valve coil is connected to the positive voltage that is provided through the valve relay and the other side is connected to the ground by the semiconductor circuit, the solenoid valve goes into operation.
The electrical function of the coils are always monitored by the valve test pulse under normal operation conditions.
Voltage Limits
- Overvoltage
When overvoltage is detected(above 16.9 V), the ECU switches off the valve relay and shuts down the system.
When voltage is returned to operating range, the system goes back to the normal condition after the initialization phase.
- Undervoltage
In the event of undervoltage(below 9.4 V), ABS control shall be inhibited and the warning lamp shall be turned on.
When voltage is returned to operating range, the warning lamp is switched off and ECU returns to normal operating mode.
Pump Motor Checking
The ECU performs a pump motor test at a speed of 30km/h once after IGN is switched on.
Diagnostic Interface
Failures detected by the ECU are encoded on the ECU, stored in a EEPROM and read out by diagnostic equipment when the ignition switch is turned on.
The diagnosis interface can also be used for testing the ECU during production of the ECU and for actuating the HCU (Air-bleeding line or Roll and Brake Test line).
Warning Lamp Module

1. ABS Warning Lamp
The active ABS warning lamp indicates the selftest and failure status of the ABS. The ABS warning lamp shall be on:
A. During the initialization phase after IGN ON. (continuously 3 seconds).
B. In the event of inhibition of ABS functions by failure.
C. During diagnostic mode.
D. When the ECU Connector is separated from ECU.
2. Parking/EBD Warning Lamp
The active EBD warning lamp indicates the selftest and failure status of the EBD. However, in case the Parking Brake Switch is turned on, the EBD warning lamp is always turned on regardless of EBD functions.The EBD warning lamp shall be on:
A. During the initialization phase after IGN ON. (continuously 3 seconds).
B. When the Parking Brake Switch is ON or brake fluid level is low.
C. When the EBD function is out of order.
D. During diagnostic mode.
E. When the ECU Connector is separated from ECU.
ABS Control
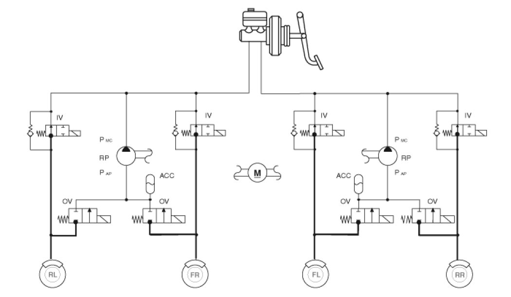
1. Normal Braking without ABS


NOTE:
IV : Inlet Valve
OV : Outlet Valve
RL : Rear left wheel
FR : Front right wheel
FL : Front left wheel
RR : Rear right wheel
RP : Return pump
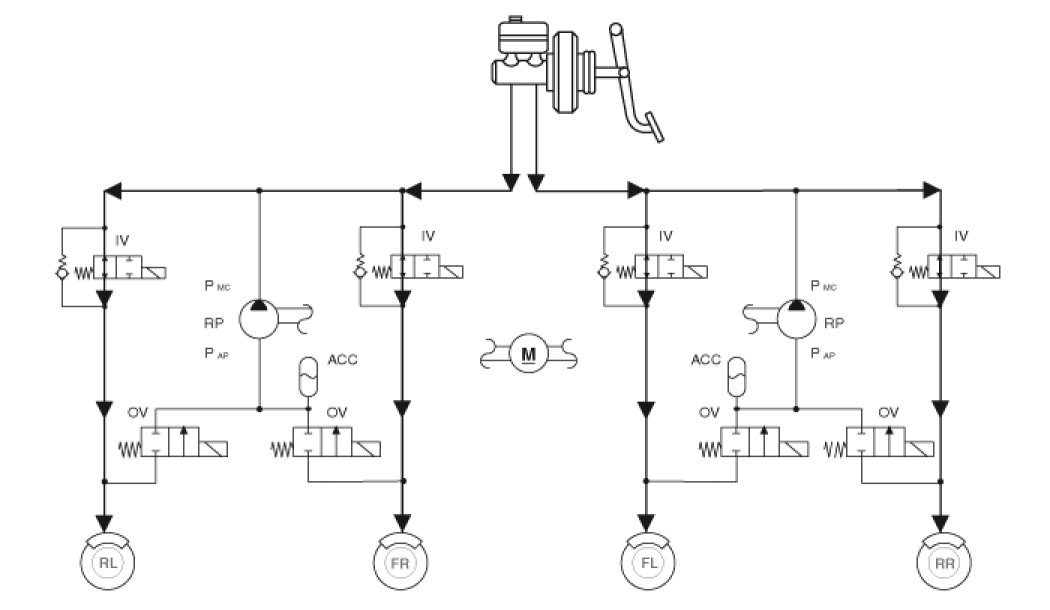
2. Decrease Mode


NOTE:
IV : Inlet Valve
OV : Outlet Valve
RL : Rear left wheel
FR : Front right wheel
FL : Front left wheel
RR : Rear right wheel
RP : Return pump
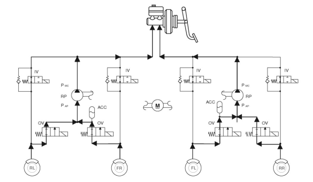
3. Hold Mode


NOTE:
IV : Inlet Valve
OV : Outlet Valve
RL : Rear left wheel
FR : Front right wheel
FL : Front left wheel
RR : Rear right wheel
RP : Return pump
4. Increase Mode


NOTE:
IV : Inlet Valve
OV : Outlet Valve
RL : Rear left wheel
FR : Front right wheel
FL : Front left wheel
RR : Rear right wheel
RP : Return pump