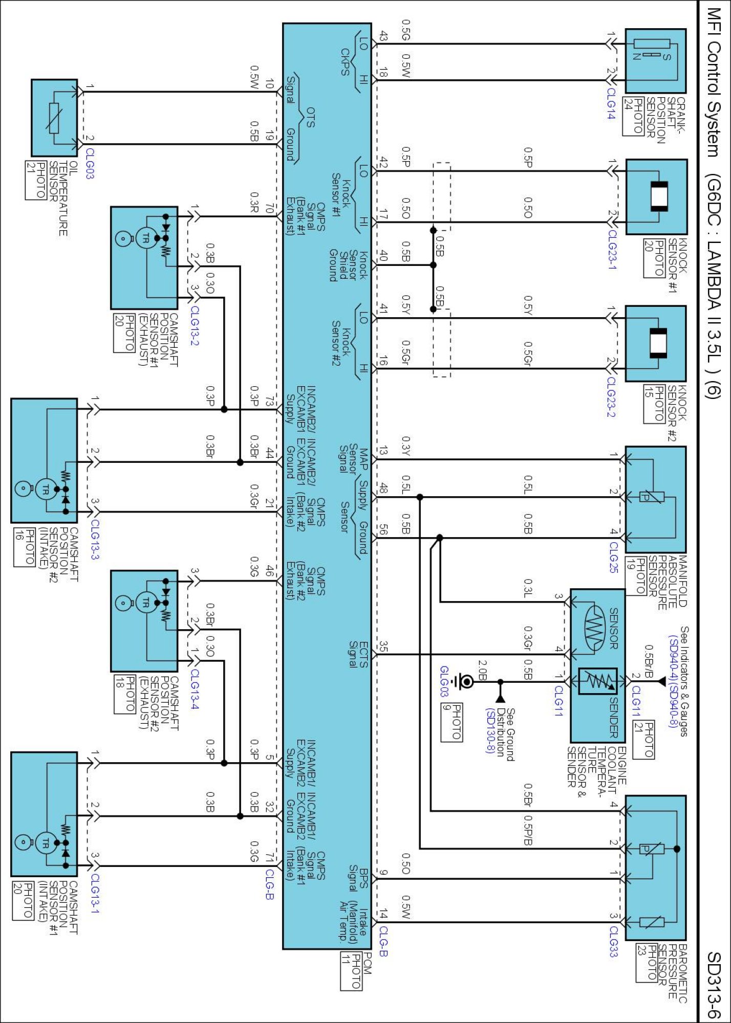
MFI Control System (6)
SD313-6 MFI Control System (6):

MFI Control System (9) Connector Pin Outs:

MFI Control System (10) Connector Pin Outs:

MFI Control System (11) Connector Pin Outs:

MFI Control System (12) Connector Pin Outs:

Next Diagram: MFI Control System (7)
Previous Diagram: MFI Control System (5)
Locations: Location photographs (references to PHOTOS) referred to within these diagrams can be found via the photo number at the vehicle level under Locations by Photo Number. Locations By Photo Number