W/Harness Inspection
P2135 Throttle Position Sensor 1 & 2 Signal Voltage Correlation
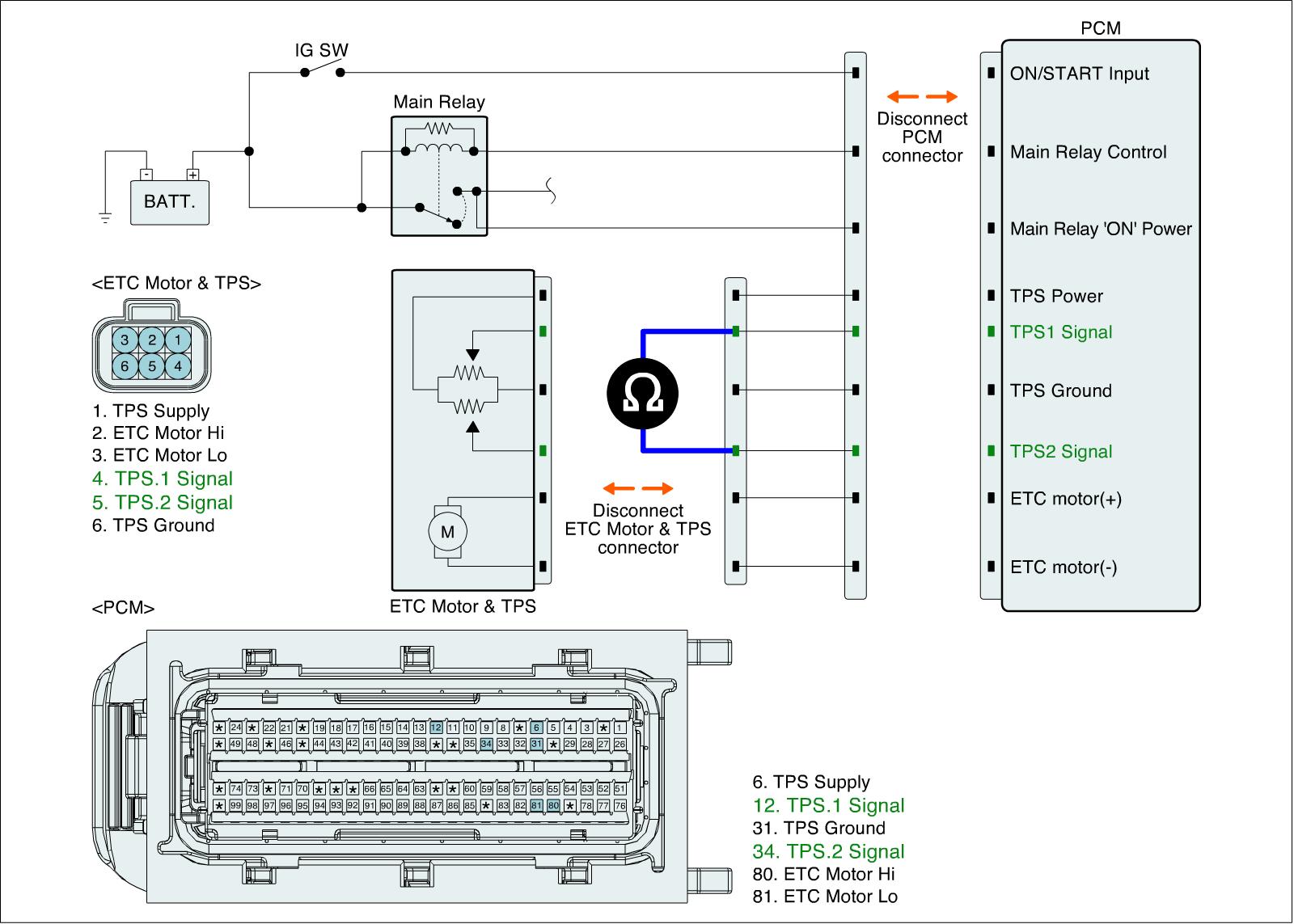
Inspection/Repair - W/Harness Inspection
Terminal and Connector Inspection
1. Many malfunctions in the electrical system are caused by poor harness and terminals. Faults can also be caused by interference from other electrical systems, and mechanical or chemical damage.
2. Thoroughly check connectors for looseness, poor connection, bending, corrosion, contamination, deterioration, or damage.
3. Has a problem been found?

Power Circuit Inspection
Check voltage
1. IG "OFF" and disconnect ETC Motor & TPS connector.
2. IG "ON".
3. Measure voltage between TPS power terminal of ETC Motor & TPS harness connector and chassis ground.
Specification : Approx. 5 V

4. Is the measured voltage within specification?

Signal Circuit Inspection
Check short in harness
1. IG "OFF" and disconnect ETC Motor & TPS connector and PCM connector.
2. Measure resistance between TPS1 signal and TPS2 signal terminals of ETC Motor & TPS harness connector.
Specification : Infinite

3. Is the measured resistance within specification?
