Component Inspection
P1692 Immobilizer Lamp error
Inspection/Repair - Component Inspection
Component Inspection
Check immobilizer lamp
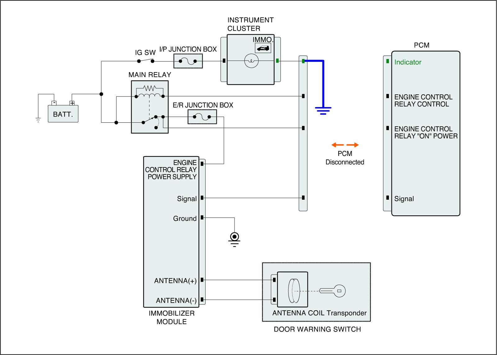
1. IG KEY OFF
2. Connect SMARTRA connector and disconnect PCM connector
3. Ground indicator terminal of PCM harness connector with wire.
4. IG KEY ON & Engine "OFF"
A. Specification : Immobilizer lamp "ON"


5. Is the Immobilizer lamp "ON"?
YES
> Substitute with a known-good ECM and check for proper operation.
If the problem is corrected, replace ECM and then go to "Verification of Vehicle Repair" procedure.
CAUTION:
** ECM substituted for old one must be in "Virgin" or "Neutral" status and Pin code is required to Neutralize ECM and to Register transponder key
NO
> Check that fuse has blown off and harness between ECM connector and Battery is in normal condition. And. check connectors for looseness, poor connection, bending, corrosion, contamination, deterioration, or damage. Repair or replace as necessary and then go to "Verification of Vehicle Repair" procedure.