W/Harness Inspection
P1692 Immobilizer Lamp error
Inspection/Repair - W/Harness Inspection
Terminal and Connector Inspection
1. Many malfunctions in the electrical system are caused by poor harness and terminals.
Faults can also be caused by interference from other electrical systems, and mechanical or chemical damage.
2. Thoroughly check connectors for looseness, poor connection, bending, corrosion, contamination, deterioration, or damage.
3. Has a problem been found?
YES
> Repair as necessary and go to "Verification of Vehicle Repair" procedure.
NO
> Go to "W/Harness Inspection" procedure.
Control Circuit Inspection
Check for open in harness
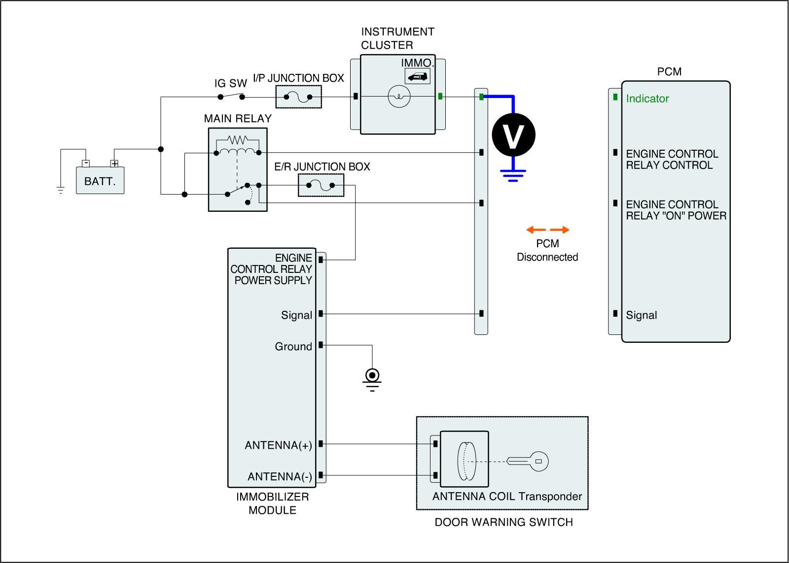
1. IG KEY OFF
2. Connect SMARTRA connector and disconnect PCM connector
3. IG KEY ON & Engine "OFF"
4. Measure voltage between indicator terminal of PCM harness connector and chassis ground.
A. Specification : Batt.


5. Is the measured voltage within specifications
YES
> Go to "Component Inspection" procedure
NO
> Check for open or short in harness. Repair as necessary and go to "Verification of Vehicle Repair" procedure.