Component Inspection
P1691 Antenna coil error
Inspection/Repair - Component Inspection
Component Inspection
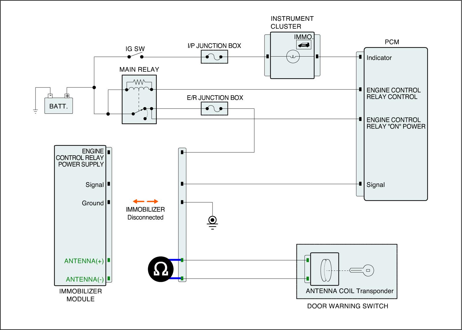
1. Check coil antenna
(1) Ignition "OFF"
(2) Disconnect SMARTRA connector.
(3) Measure resistance between antenna coil (+) and (-) terminal of SMARTRA harness connector.
A. Specification : Approx 8.5 Ohms


(4) Is the measured resistance within specifications?
YES
> Go to "Check SMARTRA" procedure.
NO
> Check for open or short in antenna coil. Repair as necessary and go to "Verification of Vehicle Repair" procedure.
2. Check SMARTRA
(1) IGN "ON" & Engine "OFF"
(2) Neutralize Both "SMARTRA" and "ECM" and Register transponder key with scantool.
CAUTION:
** Pin code is required to Neutralize SMARTRA and to Register transponder key
(3) Are Neutralizing and Registering completed normally?
YES
> Perform all the key teaching procedure with scantool. (All the keys must be retaught) and then, go to "Verification of Vehicle Repair" Procedure.
NO
> Substitute with a known-good transponder and perform the key teaching procedure.
If the problem is corrected, replace transponder and then go to "Verification of Vehicle Repair" procedure.