General Information
P1691 Antenna coil error
General Information
Component Location

General Description
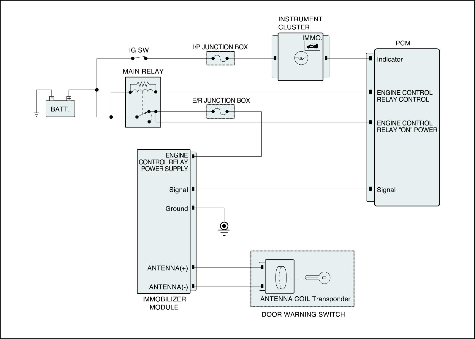
This wireless communication runs on RF (Radio frequency of 125 kHz). The antenna coil is mounted on the top of ignition lock for RF transmission and receiving. The RF signal from the transponder received by the antenna coil is converted into messages for serial communication by the SMARTRA device. And the received messages from the ECM are converted into an RF signal, which is transmitted, to the transponder by the antenna.
DTC Description
The ECM sets DTC P1691 if there's any fault in immobilizer antenna coil.
DTC Detecting Condition


