W/Harness Inspection
P1690 SMARTRA no response
Inspection/Repair - W/Harness Inspection
Terminal and Connector Inspection
1. Many malfunctions in the electrical system are caused by poor harness and terminals.
Faults can also be caused by interference from other electrical systems, and mechanical or chemical damage.
2. Thoroughly check connectors for looseness, poor connection, bending, corrosion, contamination, deterioration, or damage.
3. Has a problem been found?
YES
> Repair as necessary and go to "Verification of Vehicle Repair" procedure.
NO
> Go to "W/Harness Inspection" procedure.
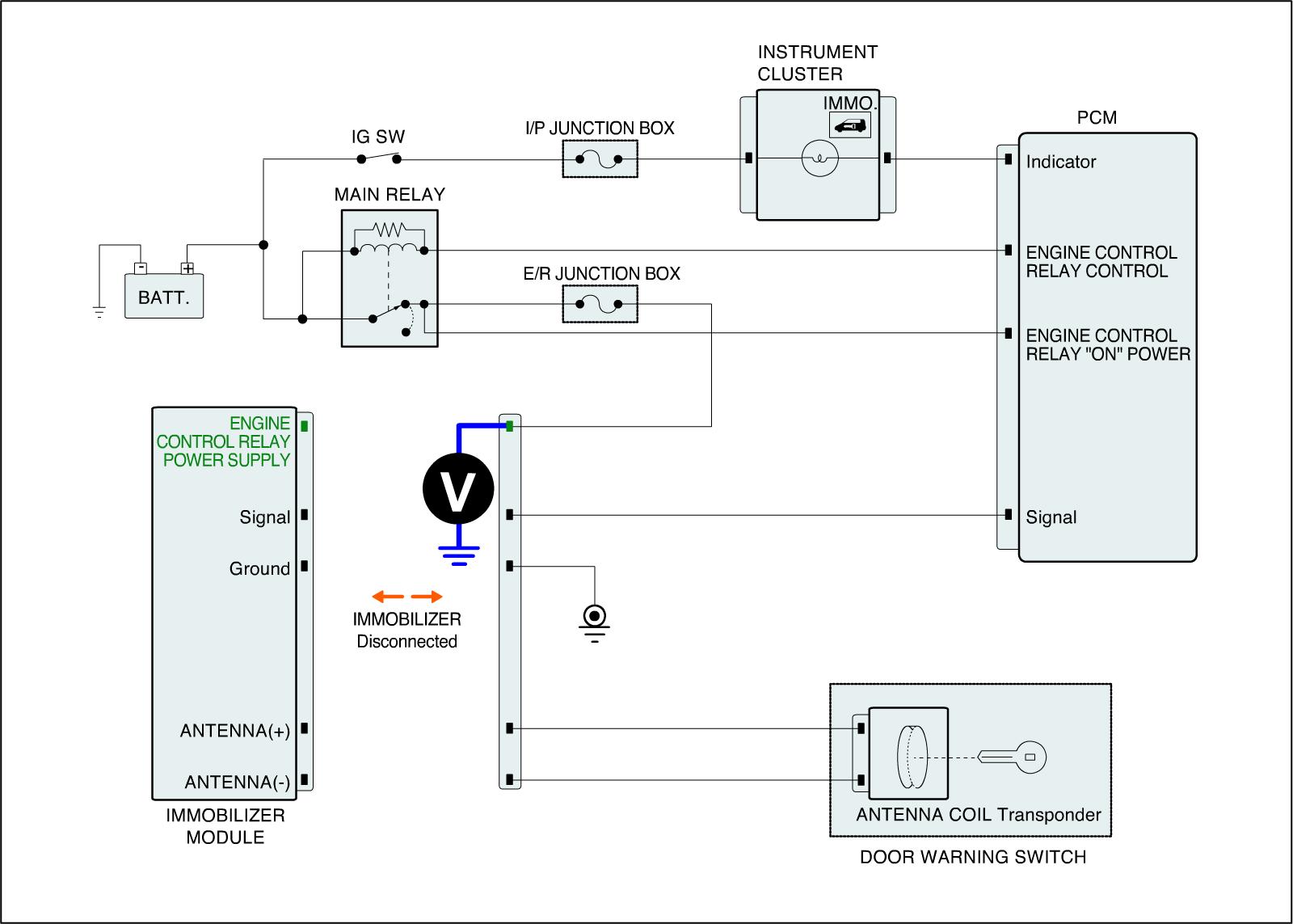
Power Supply Circuit Inspection
1. Check for open in harness
(1) Ignition "OFF"
(2) Disconnect SMARTRA Connector.
(3) Ignition "ON" & Engine "OFF"
(4) Measure voltage between Engine Control Relay Power of SMARTRA harness connector and chassis ground.
A. Specification : 9 - 16 V


(5) Is the measured voltage within specifications?
YES
> Go to "Signal circuit Inspection" procedure.
NO
> Check for open or short in harness. Repair as necessary and go to "Verification of Vehicle Repair" procedure.
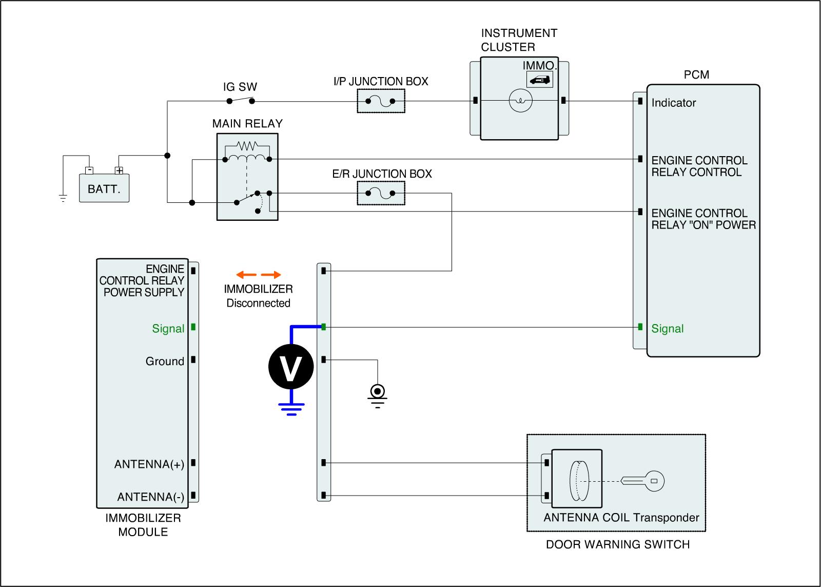
Signal Circuit Inspection
1. Check for open in harness
(1) Ignition "OFF"
(2) Disconnect SMARTRA connector.
(3) Measure resistance between signal terminal of smartra harness connector and ECM/PCM harness connector.
A. Specification : 1 Ohms or less


(4) Is the measured resistance within specifications?
YES
> Go to "Check for short in harness" procedure.
NO
> Check for open in harness. Repair as necessary and go to "Verification of Vehicle Repair" procedure.
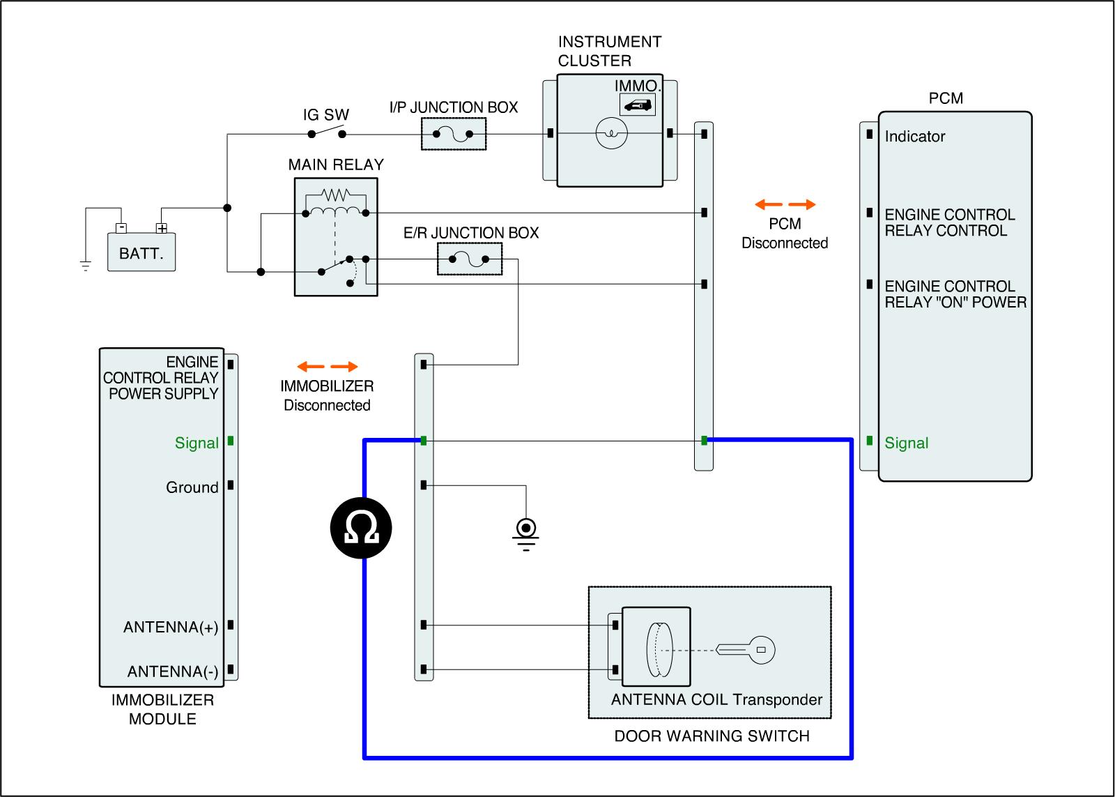
2. Check for short in harness
(1) Ignition "OFF"
(2) Disconnect SMARTRA connector.
(3) Ignition "ON" & Engine "OFF"
(4) Measure voltage between signal terminal of SMARTRA harness connector and chassis ground.
A. Specification :Approx. 5.48 V


(5) Is the measured voltage within specifications?
YES
> Go to "Signal circuit Inspection" procedure.
NO
> Check for short in harness. Repair as necessary and go to "Verification of Vehicle Repair" procedure.
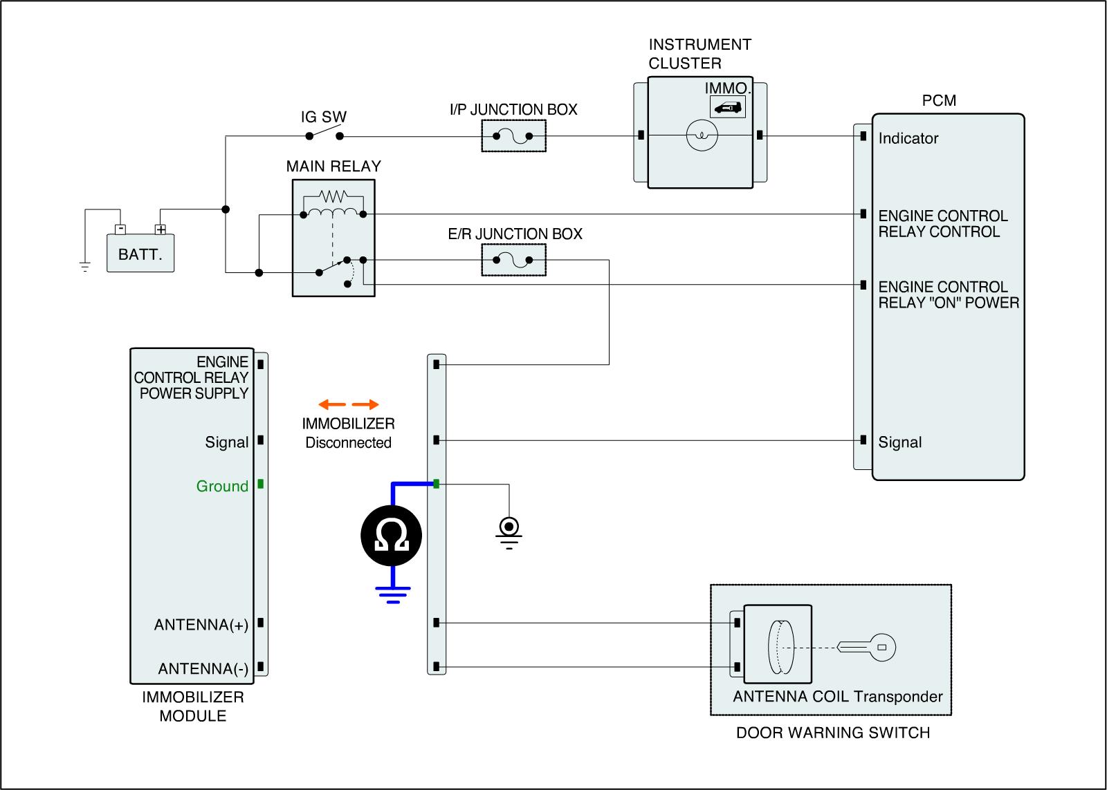
Ground Circuit inspection
1. Check for open in ground harness
(1) Ignition "OFF"
(2) Disconnect SMARTRA Connector.
(3) Measure resistance between ground terminal of SMARTRA harness and chassis ground.
A. Specification : 1 Ohms or less


(4) Is the measured resistance within specifications?
YES
> Go to "Component Inspection" procedure.
NO
> Check for open in harness. Repair as necessary and go to "Verification of Vehicle Repair" procedure.