W/Harness Inspection
P0955 Auto Shift Manual Mode Circuit
Inspection/Repair - W/Harness Inspection
Terminal & Connector Inspection
1. Many malfunctions in the electrical system are caused by poor harness and terminals. Faults can also be caused by interference from other electrical systems, and mechanical or chemical damage.
2. Thoroughly check connectors for looseness, poor connection, bending, corrosion, contamination, deterioration, or damage.
3. Has a problem been found?

Signal Circuit Inspection
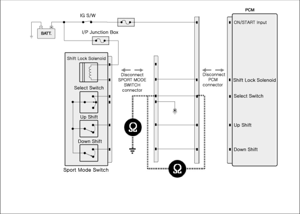
Circuit open & Circuit short Inspection (Select switch)
1. Ignition off & Engine off.
2. Disconnected "Sports mode switch" connector and "PCM/TCM" connector.
3. Measure resistance between "Select switch" connector's control terminal of Sports mode switch harness and "Select switch" connector's control terminal of PCM TCM harness.
4. Measure resistance between "Select switch" connector's control terminal of Sports mode switch harness and chassis ground.
Specification : Infinite (Circuit short Inspection)
Approx. 0 Ohms (Circuit open Inspection)


5. Is the measured resistance within specification?

Circuit open & Circuit short Inspection (Up shift)
1. Ignition off & Engine off.
2. Disconnected "Sports mode switch" connector and "PCM/TCM" connector.
3. Measure resistance between "Up shift" connector's control terminal of Sports mode switch harness and "Up shift" connector's control terminal of PCM TCM harness.
4. Measure resistance between "Up shift" connector's control terminal of Sports mode switch harness and chassis ground.
Specification : Infinite (Circuit short Inspection)
Approx. 0 Ohms (Circuit open Inspection)


5. Is the measured resistance within specification?

Circuit open & Circuit short Inspection (Down shift)
1. Ignition off & Engine off.
2. Disconnected "Sports mode switch" connector and "PCM/TCM" connector.
3. Measure resistance between "Down shift" connector's control terminal of Sports mode switch harness and "Down shift" connector's control terminal of PCM TCM harness.
4. Measure resistance between "Down shift" connector's control terminal of Sports mode switch harness and chassis ground.
Specification : Infinite (Circuit short Inspection)
Approx. 0 Ohms (Circuit open Inspection)


5. Is the measured resistance within specification?

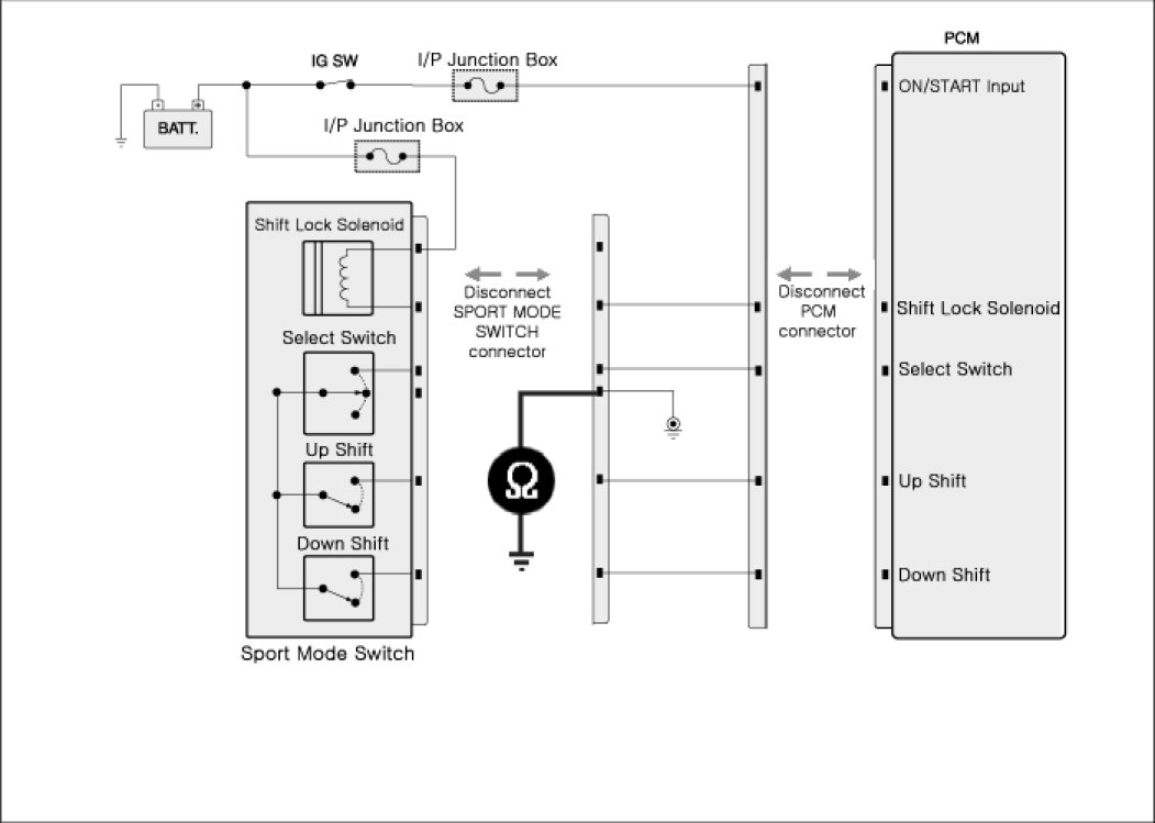
Ground Circuit Inspection
1. Ignition off & Engine off.
2. Disconnected "Sports mode switch" connector.
3. Measure "burn-in" between Sports mode switch harness and chassis ground.
Specification : Continuity


4. Is the measured continuity?
