W/Harness Inspection
P0758 Shift Control Solenoid Valve \'B\' Electrical (2-6/B)
Inspection/Repair - W/Harness Inspection
Terminal & Connector Inspection
1. Many malfunctions in the electrical system are caused by poor harness and terminals. Faults can also be caused by interference from other electrical systems, and mechanical or chemical damage.
2. Thoroughly check connectors for looseness, poor connection, bending, corrosion, contamination, deterioration, or damage.
3. Has a problem been found?

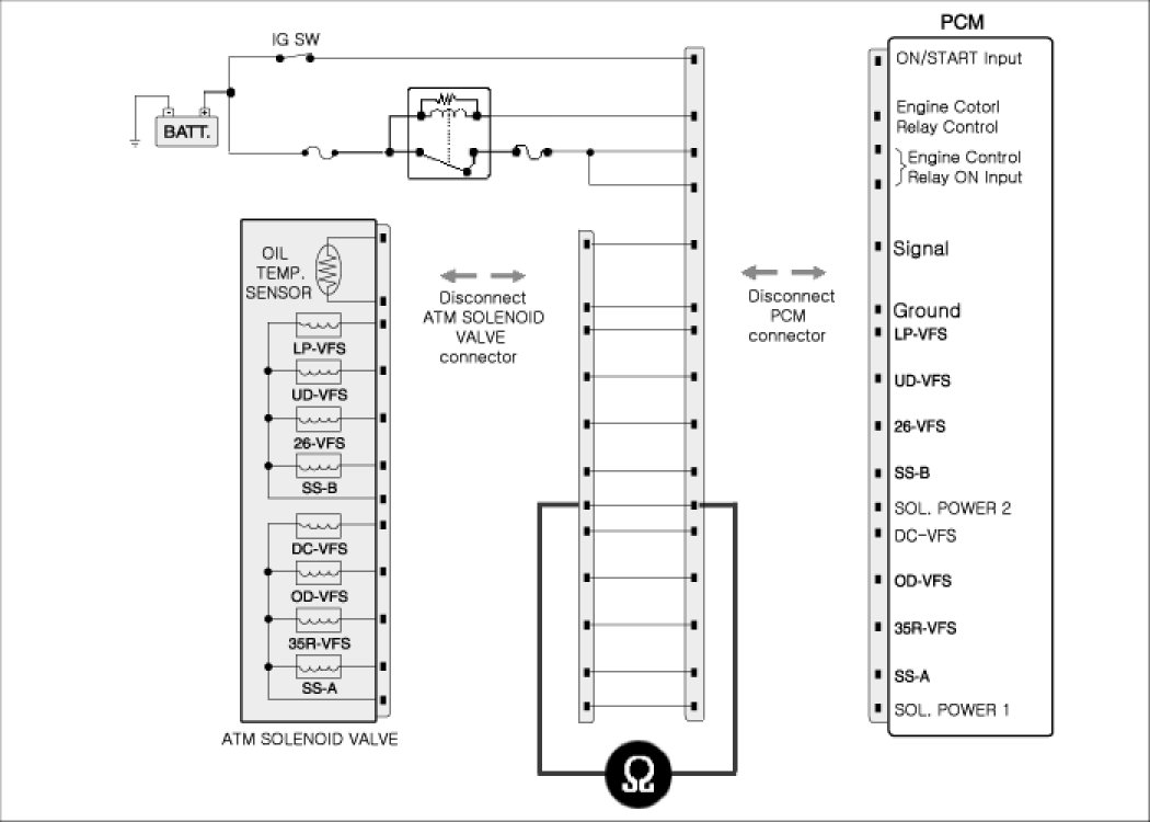
Power Circuit Inspection
1. IG KEY "ON" & Engine "OFF".
2. Disconnect "ATM solenoid valve" & "PCM/TCM" connector.
3. Measure resistance between power of "26/B-VFS" connector of ATM solenoid valve and power of "26/B-VFS" connector of PCM/TCM.
Specification : Approx. 0 Ohms


4. Is the measured resistance within specifications?

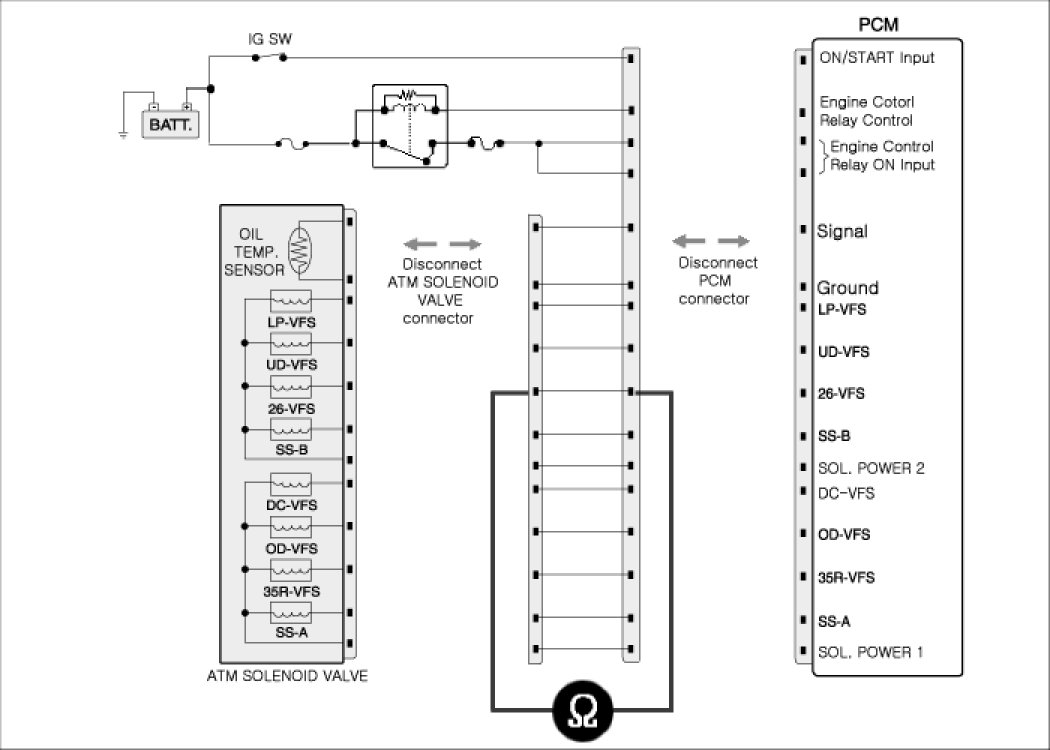
Signal Circuit Inspection
Circuit open Inspection
1. Ignition off & Engine off.
2. Disconnected "ATM solenoid valve" connector and PCM/TCM connector.
3. Measure resistance between "Shift control solenoid valve (26/B-VFS)" terminal of ATM solenoid valve connector and PCM TCM connector.
Specification : Approx. 0 Ohms


4. Is the measured resistance within specification?

Circuit short Inspection
1. Ignition off & Engine off.
2. Disconnected "ATM solenoid valve connector and PCM/TCM connector.
3. Measure a resistance between "Shift control solenoid valve (26/B-VFS)" terminal of ATM solenoid valve connector and chassis ground.
Specification : Infinite


4. Is the measured resistance within specifications?
