Component Inspection
P0753 Shift Control Solenoid Valve \'A\' Electrical (UD/B)
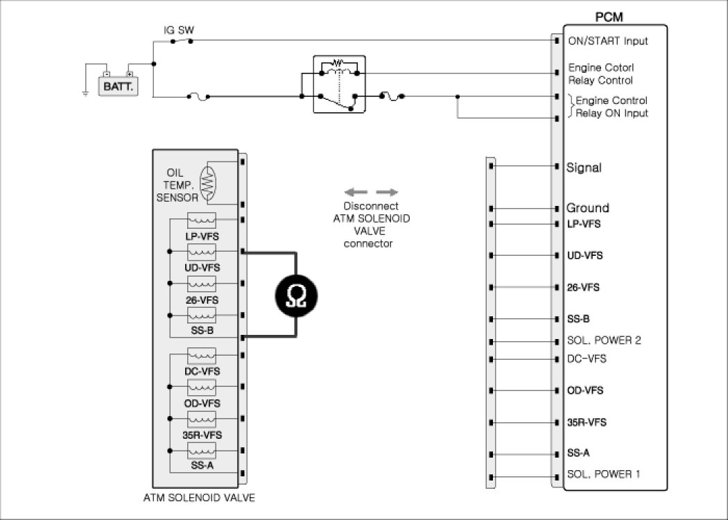
Inspection/Repair - Component Inspection
Component Inspection
Shift control solenoid valve (UD-VFS) Inspection
1. Ignition off & Engine Off.
2. Disconnect "ATM solenoid valve connector.
3. Measure a resistance between "Shift control solenoid valve (UD-VFS)" terminal and power at ATM solenoid valve connector.
Specification : 5.1 ± 0.3 Ohms (25 °C)


4. Is measured resistance within specification?
