W/Harness Inspection
P0717 Input/Turbine Speed Sensor \'A\' Circuit No Signal
Inspection/Repair - W/Harness Inspection
Terminal & Connector Inspection
1. Many malfunctions in the electrical system are caused by poor harness and terminals. Faults can also be caused by interference from other electrical systems, and mechanical or chemical damage.
2. Thoroughly check connectors for looseness, poor connection, bending, corrosion, contamination, deterioration, or damage.
3. Has a problem been found?

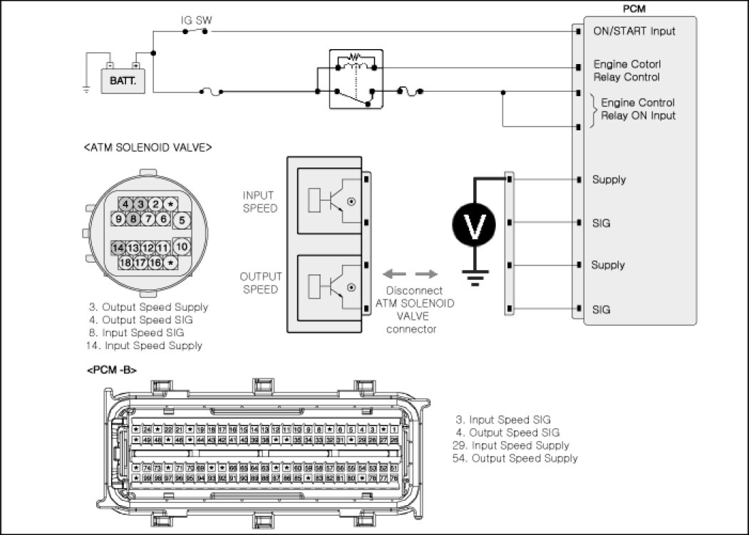
Power Circuit Inspection
1. IG KEY "ON" & Engine "OFF".
2. Disconnect "ATM solenoid valve" connector.
3. Measure voltage between power of Input speed sensor connector and chassis ground.
Specification : Approx. 8 V

4. Is the measured voltage within specifications?

Signal Circuit Inspection
Circuit short Inspection
1. Ignition off & Engine off.
2. Disconnected "ATM solenoid valve connector and PCM/TCM connector.
3. Measure a resistance between signal of Input speed sensor and chassis ground.
Specification : Infinite

4. Is the measured resistance within specifications?

Circuit Open Inspection
1. Ignition off & Engine off.
2. Disconnected "ATM solenoid valve" connector and PCM/TCM connector.
3. Measure resistance between signal of Input speed sensor and PCM TCM connector.
Specification : Approx. 0 Ohms

4. Is the measured resistance within specifications?
