W/Harness Inspection
P0713 Transmission Fluid Temperature Sensor \'A\' Circuit High Input
Inspection/Repair - W/Harness Inspection
Terminal & Connector Inspection
1. Many malfunctions in the electrical system are caused by poor harness and terminals. Faults can also be caused by interference from other electrical systems, and mechanical or chemical damage.
2. Thoroughly check connectors for looseness, poor connection, bending, corrosion, contamination, deterioration, or damage.
3. Has a problem been found?

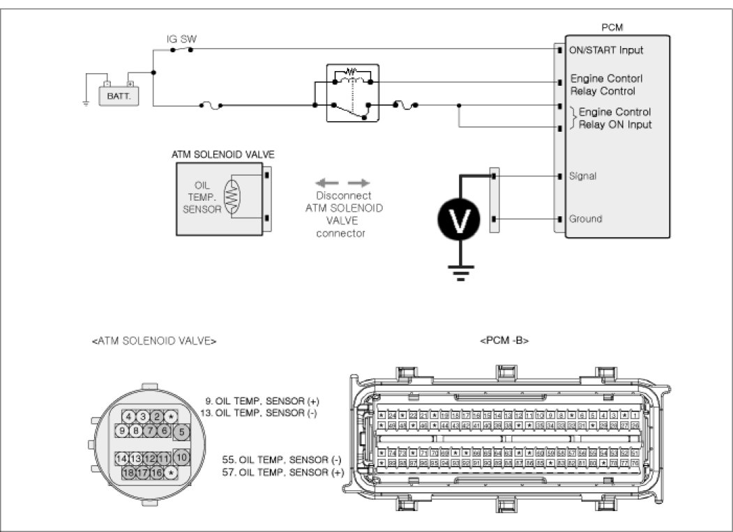
Signal Circuit Inspection
1. Disconnect an Oil temperature sensor connector.
2. IG KEY "ON"" & Engine "OFF".
3. Measure voltage between signal of Oil temperature sensor circuit and chassis ground.
Specification : Approx. 3.3 V

4. Is the measured voltage within specifications?

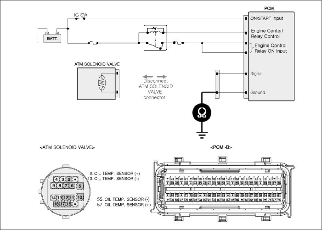
Ground Circuit Inspection
1. Ignition off.
2. Disconnected Oil temperature sensor connector.
3. Measure a resistance between Ground of Oil temperature sensor and chassis ground.
Specification : Approx. 0 Ohms

4. Is the measured resistance within specifications?
