General Information
P0706 Transmission Range Sensor Circuit Range/Performance
General Information
Component Location

General Description
Shift lever positions P-range (Parking), R-range (Reverse), N-range (Neutral) and D-range (Driving) are changed by driver need and lever position is sent to PCM/TCM to control a gear ration.
DTC Description
This code is set when undefined range signal is input to PCM/TCM without specific of transmission pattern table.
DTC Detecting Condition

Specification

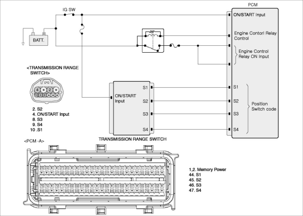
Diagnostic Circuit Diagram

Signal Waveform & Data
