W/Harness Inspection
P0705 Transmission Range Sensor Circuit Malfunction
Inspection/Repair - W/Harness Inspection
Terminal & Connector Inspection
1. Many malfunctions in the electrical system are caused by poor harness and terminals. Faults can also be caused by interference from other electrical systems, and mechanical or chemical damage.
2. Thoroughly check connectors for looseness, poor connection, bending, corrosion, contamination, deterioration, or damage.
3. Has a problem been found?

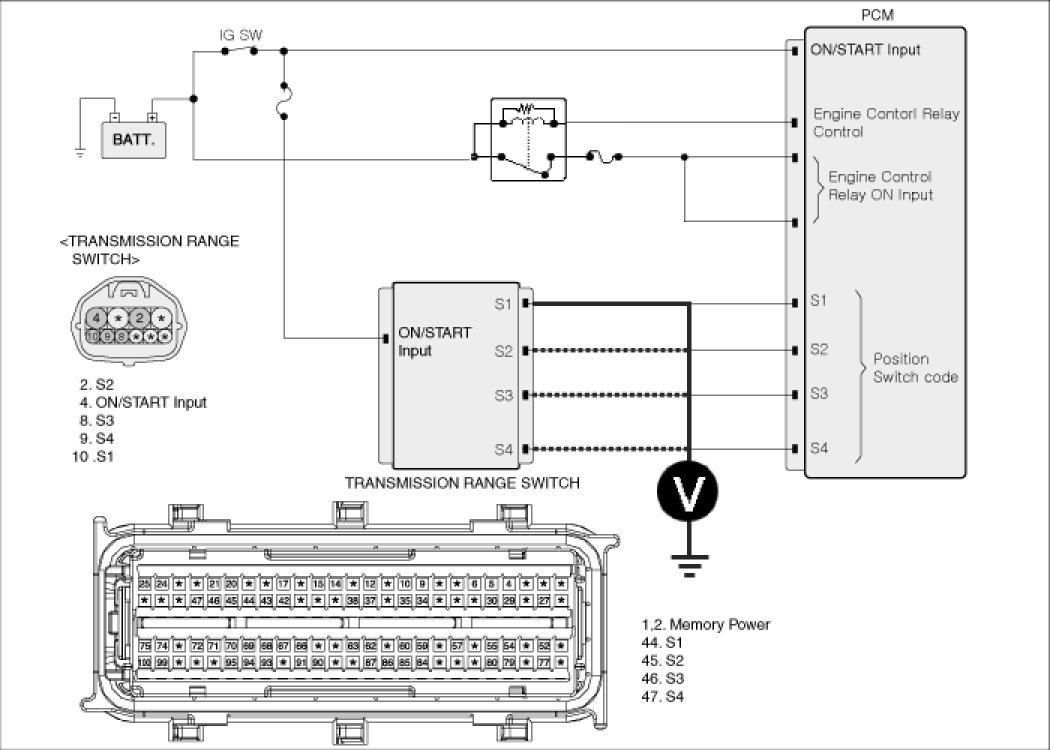
Power Circuit Inspection
1. Disconnect an Inhibitor switch.
2. IG KEY "ON"" & Engine "OFF".
3. Measure voltage between supplied power and ground at inhibitor circuit.
Specification : Approx. 12 V

4. Is the measured voltage within specifications?

Signal Circuit Inspection
1. Connect an Inhibitor switch.
2. Ignition "ON" & Engine "OFF".
3. Measure voltages between each terminal and chassis ground during shift lever changed "P, R, N, D".
Specification : See below "Inhibitor switch specification"


4. Is the measured voltage within specifications?
