W/Harness Inspection
P0641 Sensor Reference Voltage 'A' Circuit/Open
Inspection/Repair - W/Harness Inspection
Terminal and Connector inspection
1. Many malfunctions in the electrical system are caused by poor harness and terminals. Faults can also be caused by interference from other electrical systems, and mechanical or chemical damage.
2. Thoroughly check connectors for looseness, poor connection, bending, corrosion, contamination, deterioration, or damage.
3. Has a problem been found?

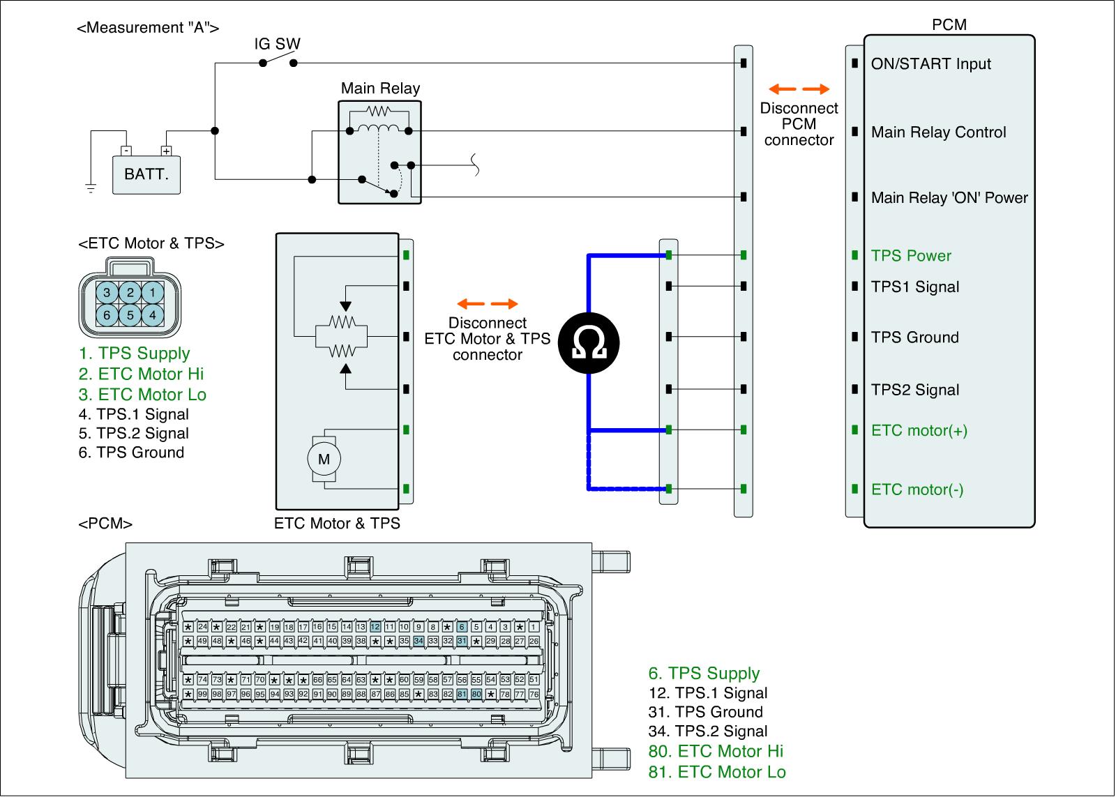
Power Circuit Inspection
Check voltage
1. IG "OFF" and disconnect ETC Motor & TPS connector.
2. IG "ON"
3. Measure voltage between TPS power terminal of ETC Motor & TPS harness connector and chassis ground.
Specification : Approx. 5 V

4. Is the measured voltage within specification?

Check short in power harness
1. IG "OFF" and disconnect ETC Motor & TPS connector and PCM connector.
2. Measure the resistance between TPS power and ETC motor (+) terminals of ETC Motor & TPS harness connector. (Measurement "A")
3. Measure the resistance between TPS power and ETC motor (-) terminals of ETC Motor & TPS harness connector. (Measurement "A")
4. Measure the resistance between TPS power and TPS ground terminals of ETC Motor & TPS harness connector. (Measurement "B")
Specification : Infinite


5. Is the measured resistance within specification?
