W/Harness Inspection
P0638 Throttle Actuator Control Range/Performance (Bank 1)
Inspection/Repair - W/Harness Inspection
Terminal and Connector inspection
1. Many malfunctions in the electrical system are caused by poor harness and terminals. Faults can also be caused by interference from other electrical systems, and mechanical or chemical damage.
2. Thoroughly check connectors for looseness, poor connection, bending, corrosion, contamination, deterioration, or damage.
3. Has a problem been found?

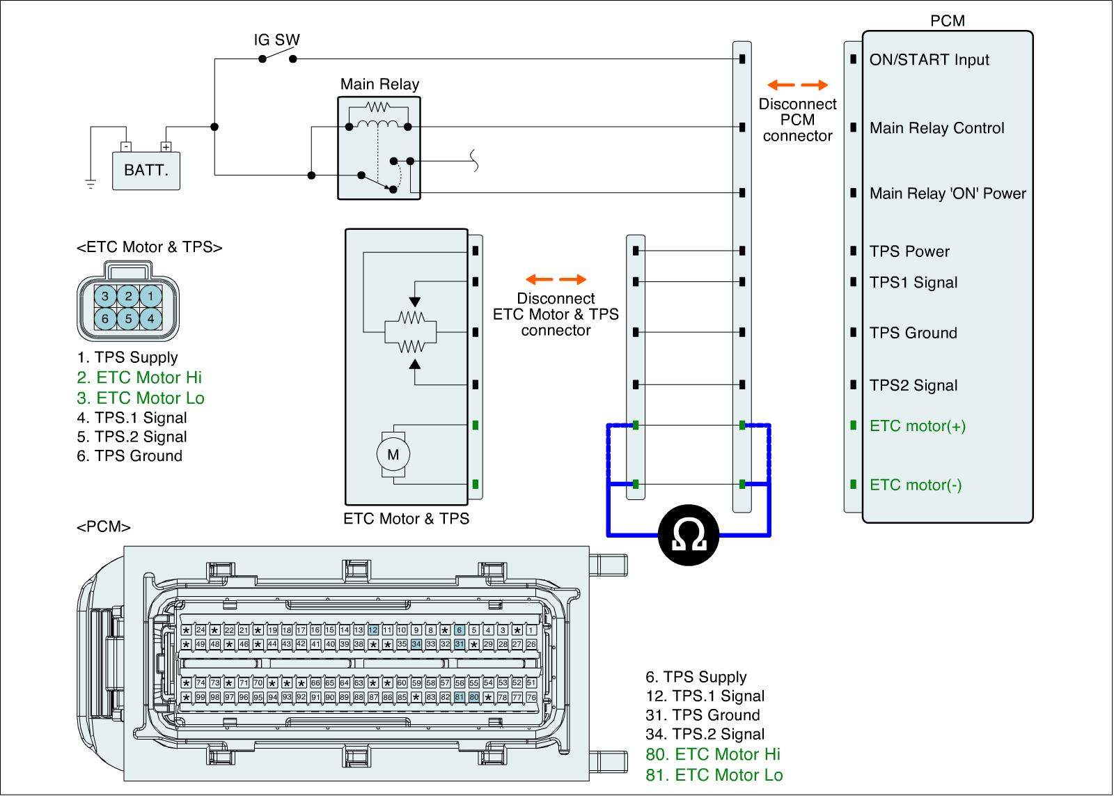
Control Circuit Inspection
Check voltage
1. IG "OFF" and disconnect ETC Motor & TPS connector.
2. IG "ON"
3. Measure the voltage between ETC motor (+) / (-) of ETC Motor & TPS harness connector and chassis ground.
Specification : Approx. B+

4. Is the measured voltage within specification?

Check open in harness
1. IG "OFF" and disconnect ETC Motor & TPS connector and PCM connector.
2. Measure the resistance between ETC motor (+) terminal of ETC Motor & TPS harness connector and ETC motor (+) terminal of PCM harness connector.
3. Measure the resistance between ETC motor (-) terminal of ETC Motor & TPS harness connector and ETC motor (-) terminal of PCM harness connector.
Specification : Approx. below 1 Ohms

4. Is the measured resistance within specification?
