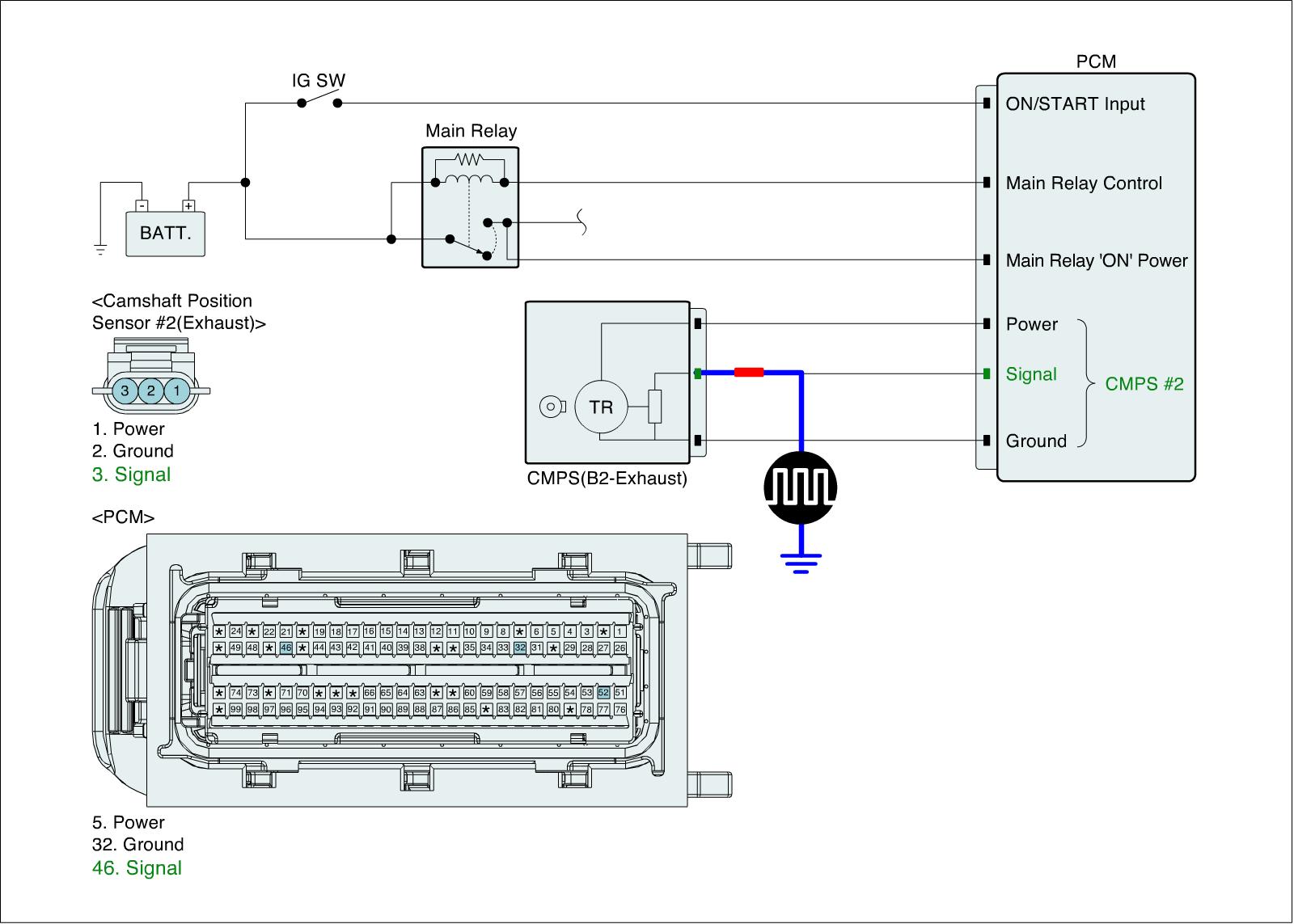
Component Inspection
P0391 Camshaft Position Sensor 'B' Circuit Range/Performance (Bank 2)
Inspection/Repair - Component Inspection
Component Inspection
Check CMPS
1. IG "OFF" and connect GDS.
2. ENG "ON" and Measure signal waveform at signal terminal of CMPS.
Reference signal waveform :

Fig.1) Normal waveform of CMPS 1 & 2 at idle.

3. Is the measured signal waveform normal?
