W/Harness Inspection
P0341 Camshaft Position Sensor A Circuit Range/Performance (Bank 1)
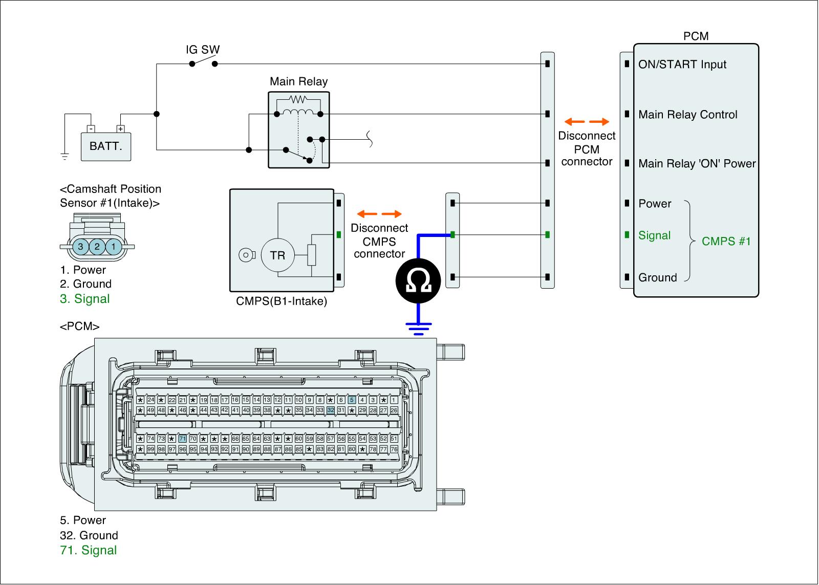
Inspection/Repair - W/Harness Inspection
Terminal and Connector Inspection
1. Many malfunctions in the electrical system are caused by poor harness and terminals. Faults can also be caused by interference from other electrical systems, and mechanical or chemical damage.
2. Thoroughly check connectors for looseness, poor connection, bending, corrosion, contamination, deterioration, or damage.
3. Has a problem been found?

Power Circuit Inspection
Check voltage
1. IG "OFF" and disconnect CMPS (B1-Intake) connector.
2. IG "ON".
3. Measure voltage between power terminal of CMPS (B1-Intake) harness connector and chassis ground.
Specification : Approx. 5 V

4. Is the measured voltage within specification?

Signal Circuit Inspection
Check short in harness
1. IG "OFF" and disconnect CMPS (B1-Intake) connector.
2. Measure resistance between signal and power terminals of CMPS (B1-Intake) harness connector.
Specification : Infinite

3. Is the measured resistance within specification?

Check short to ground in harness
1. IG "OFF" and disconnect CMPS (B1-Intake) connector and PCM connector.
2. Measure resistance between signal terminal of CMPS (B1-Intake) harness connector and chassis ground.
Specification : Infinite

3. Is the measured resistance within specification?
