W/Harness Inspection
P0325 Knock Sensor 1 Circuit (Bank 1 or Single Sensor)
Inspection/Repair - W/Harness Inspection
Terminal and Connector Inspection
1. Many malfunctions in the electrical system are caused by poor harness and terminals. Faults can also be caused by interference from other electrical systems, and mechanical or chemical damage.
2. Thoroughly check connectors for looseness, poor connection, bending, corrosion, contamination, deterioration, or damage.
3. Has a problem been found?

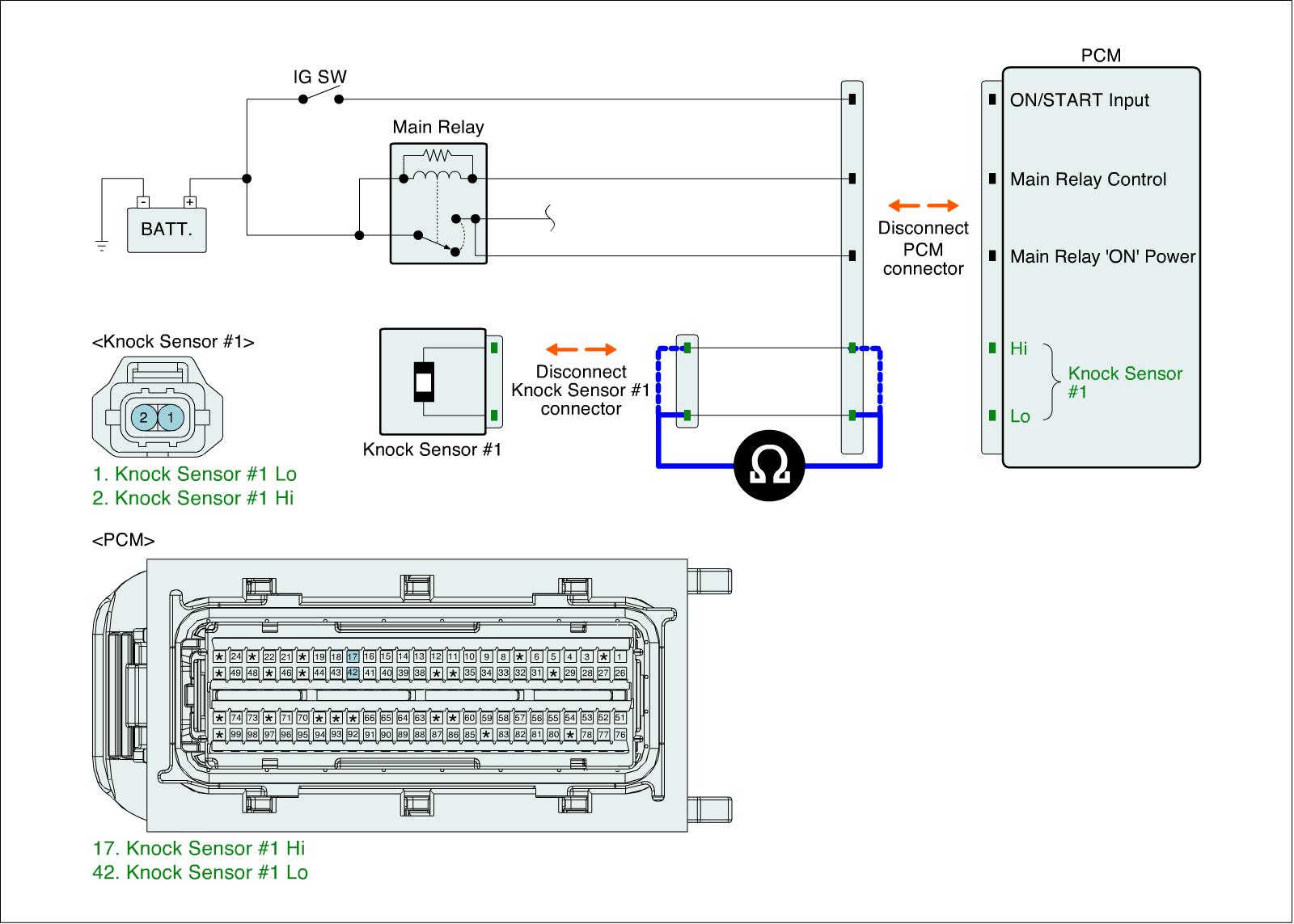
Signal Circuit Inspection
Check open in harness
1. IG "OFF" and disconnect knock sensor connector and PCM connector.
2. Measure resistance between low signal terminal of knock sensor harness connector and knock sensor low signal terminal of PCM harness connector.
3. Measure resistance between high signal terminal of knock sensor harness connector and knock sensor high signal terminal of PCM harness connector.
Specification : Below 1 Ohms

4. Is the measured resistance within specification?
