General Information
P0230 Fuel Pump Primary Circuit
General Information
Component Location

General Description
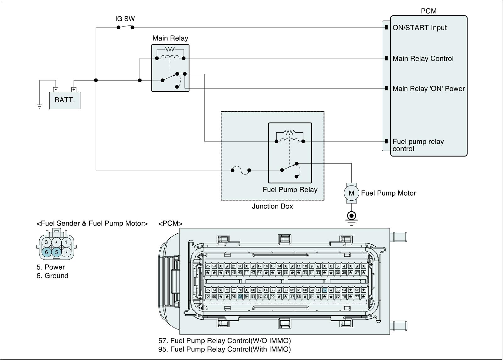
The PCM provides ground to one side of the coil in the fuel pump relay to control the fuel pump relay. The other side of the fuel pump relay coil is connected to main relay, which activates when the ignition switch is ON. The PCM monitors the control circuit between the fuel pump relay and the PCM. When the ignition switch is turned ON, the PCM energizes the fuel pump relay, which sends power to the fuel pump.
DTC Description
Checking fuel pump relay circuit continuously under detecting condition, if open or short in the circuit is detected PCM sets P0230.
** In addition, Take note that open circuit in Main Relay may cause this P0230 code.
DTC Detecting Condition

Diagnostic Circuit Diagram
