W/Harness Inspection
P0113 Intake Air Temperature Sensor 1 Circuit High Input
Inspection/Repair - W/Harness Inspection
Terminal and Connector Inspection
1. Many malfunctions in the electrical system are caused by poor harness and terminals. Faults can also be caused by interference from other electrical systems, and mechanical or chemical damage.
2. Thoroughly check connectors for looseness, poor connection, bending, corrosion, contamination, deterioration, or damage.
3. Has a problem been found?

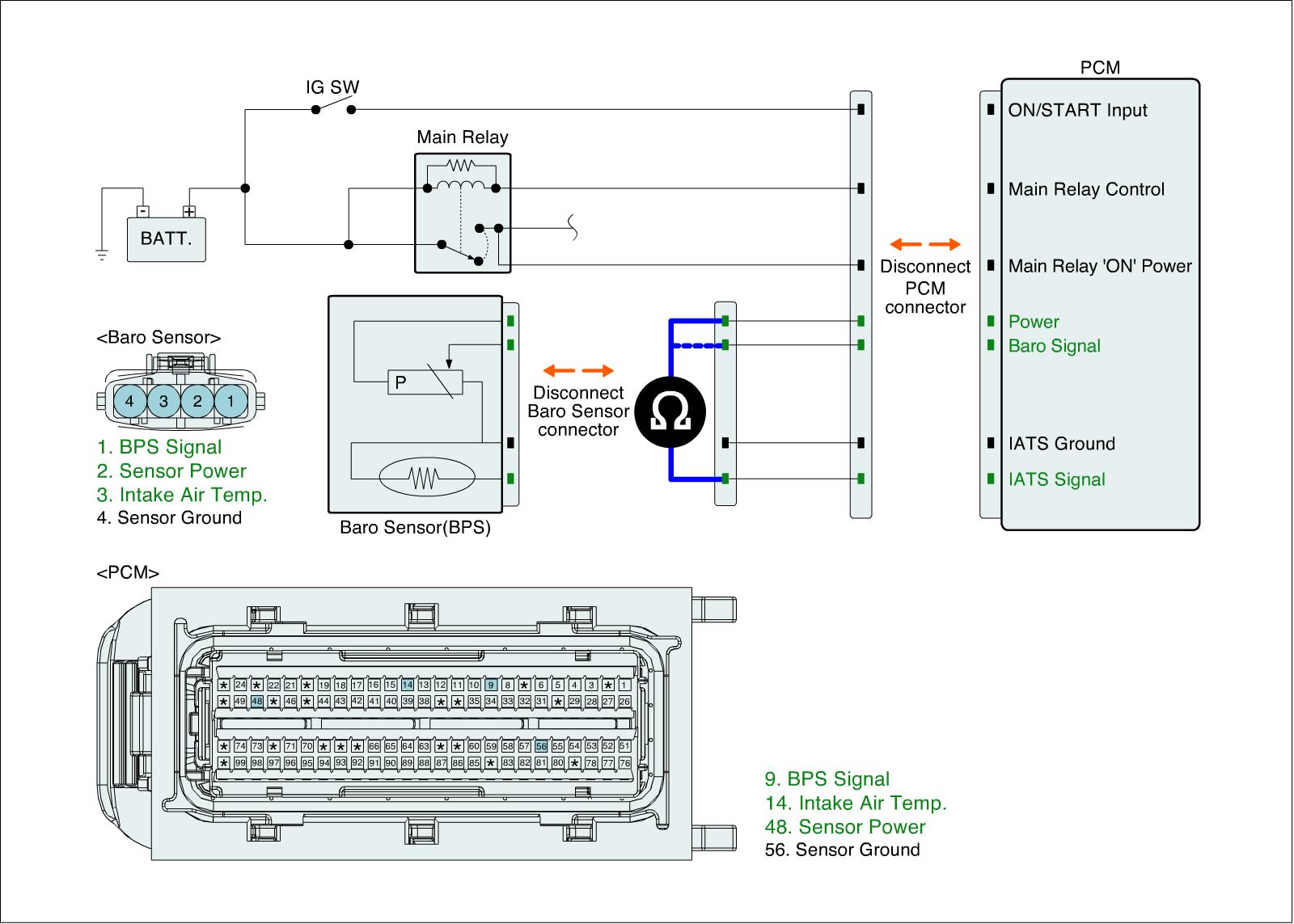
Signal Circuit Inspection
Check voltage
1. IG "OFF" and disconnect IATS connector.
2. IG "ON"
3. Measure voltage between signal terminal of IATS harness connector and chassis ground.
Specification : Approx. 3.3 V

4. Is the measured voltage within specification?

Check short to battery in harness
1. IG "OFF" and disconnect IATS connector and PCM connector.
2. Measure resistance between signal terminal of IATS harness connector and power terminal of Baro Sensor harness connector.
3. Measure resistance between signal terminal of IATS harness connector and signal terminal of Baro Sensor harness connector.
Specification : Infinite

4. Is the measured resistance within specification?

Check open in harness
1. IG "OFF" and disconnect IATS connector and PCM connector.
2. Measure resistance between signal terminal of IATS harness connector and IATS signal terminal of PCM harness connector.
Specification : below 1 Ohms

3. Is the measured resistance within specification?

Ground Circuit Inspection
Check open in harness
1. IG "OFF" and disconnect IATS connector and then IG "ON".
2. Measure voltage between signal terminal of IATS harness connector and chassis ground. (Measurement "A")
3. Measure voltage between signal and ground terminals of IATS harness connector. (Measurement "B")
Specification : Voltage difference between measurement "A" and "B" is below 200 mV.


4. Is the measured voltage within specification?
