Operation CHARM
: Car repair manuals for everyone.
Home
>>
Kia
>>
2011
>>
Sedona V6-3.5L
>>
Repair and Diagnosis
>>
Diagrams
>>
Vacuum and Vapor Hose Diagrams
>>
Emission Control Systems
>>
Evaporative Emissions System
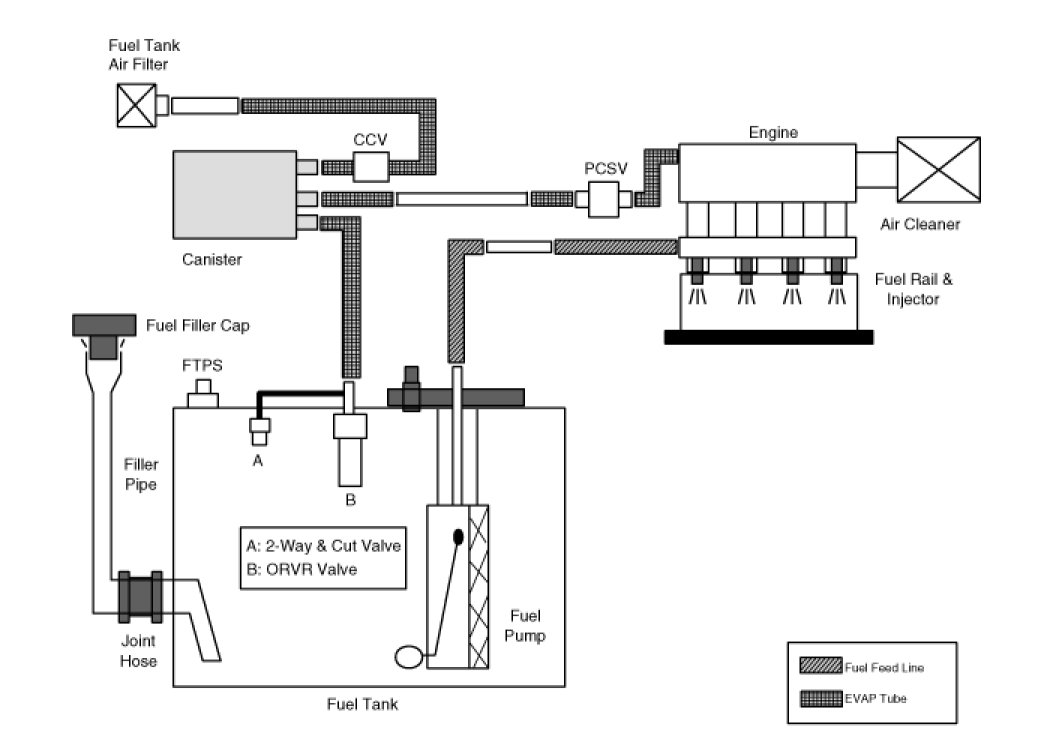
Evaporative Emissions System
Schematic Diagram
Schematic Diagram: