Operation CHARM
: Car repair manuals for everyone.
Home
>>
Kia
>>
2011
>>
Sedona V6-3.5L
>>
Repair and Diagnosis
>>
Diagrams
>>
Electrical Diagrams
>>
Diagrams By Number
>>
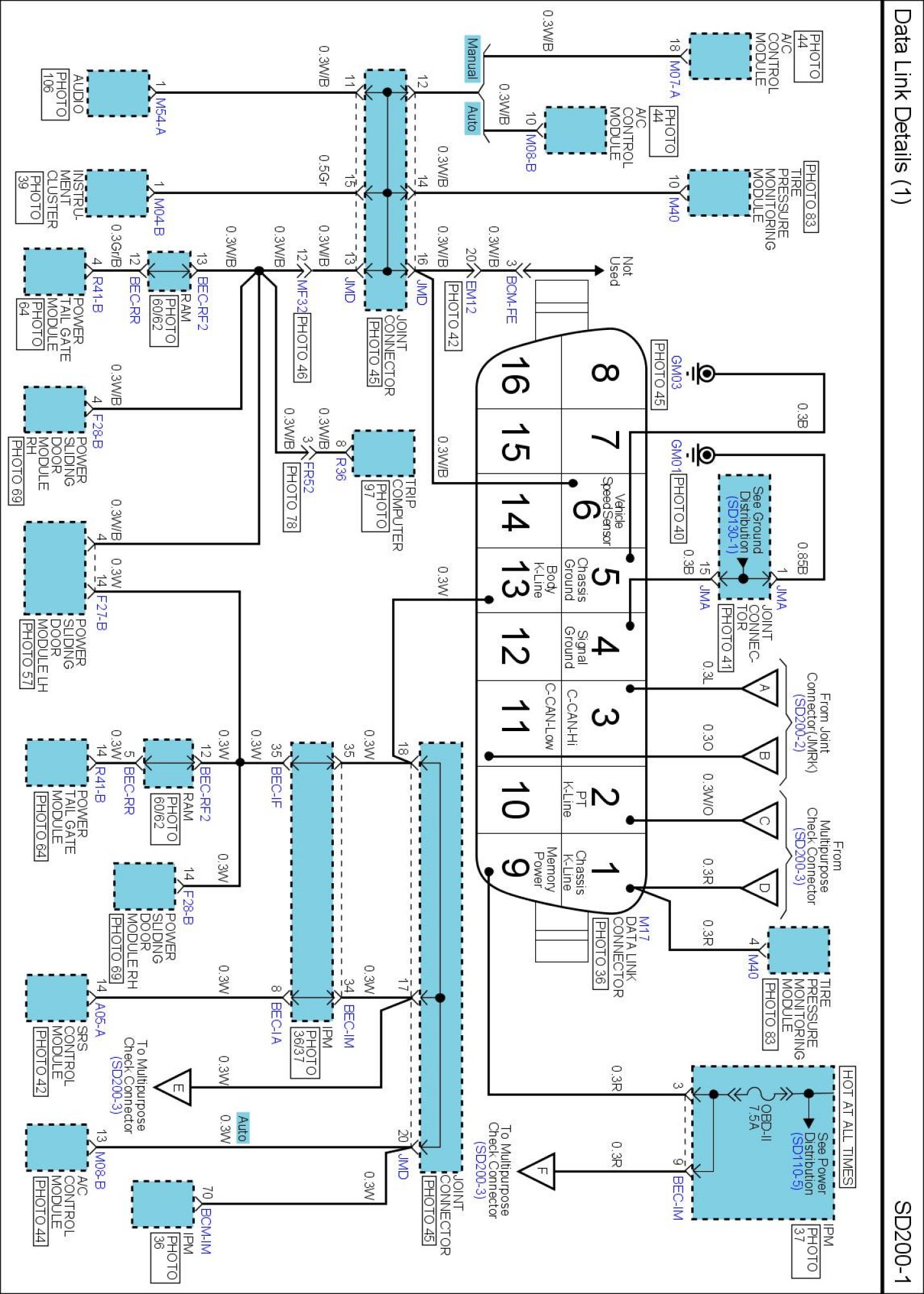
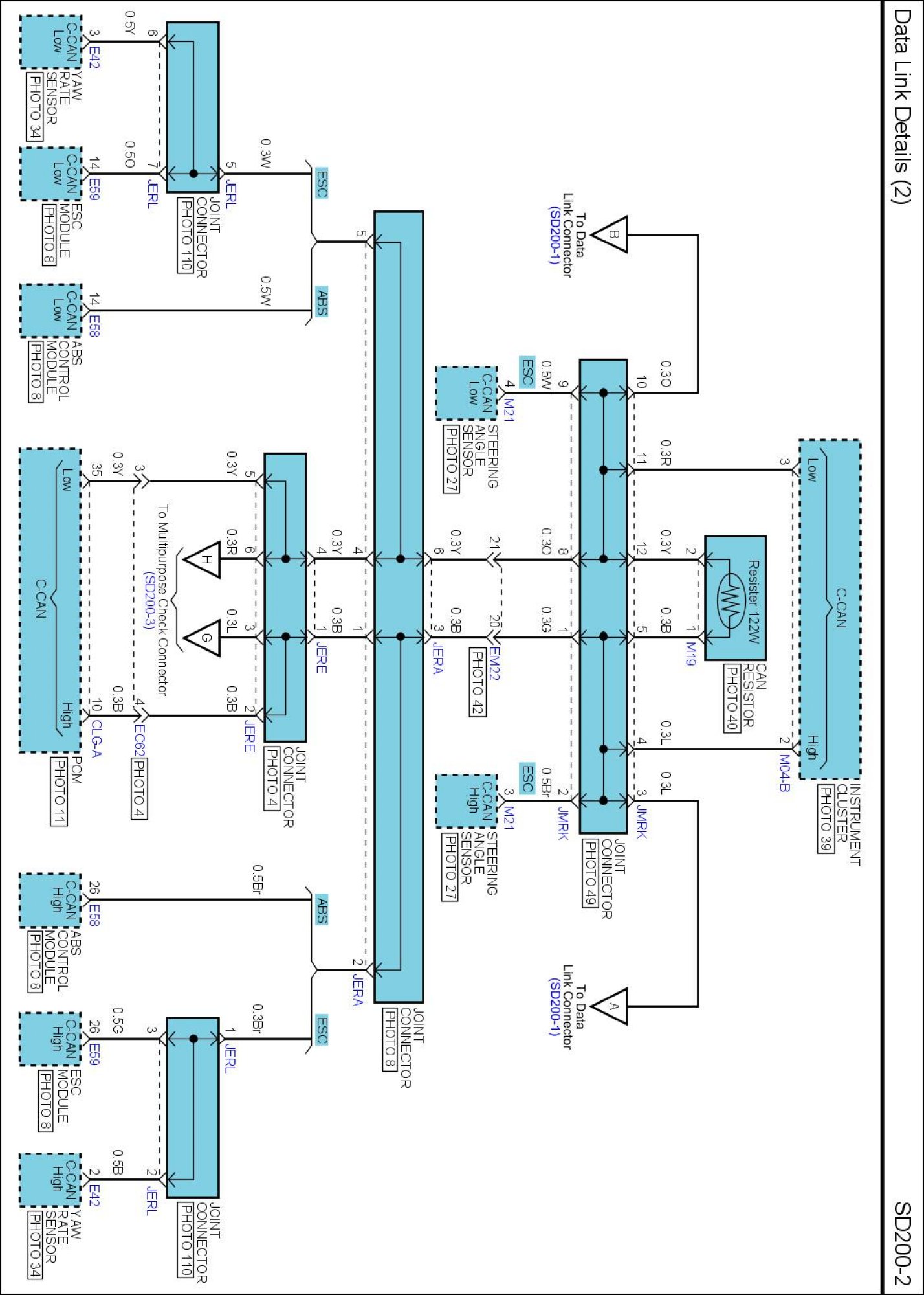
Diagram Set SD200 (Data Link Details)
Diagram Set SD200 (Data Link Details)
SD200-1 Data Link Details (1):
SD200-2 Data Link Details (2):
SD200-3 Data Link Details (3):