Operation CHARM: Car repair manuals for everyone.

Diagram Set SD120 (Passenger Compartment Fuse Details)

SD120-1 Passenger Compartment Fuse Details (1):




SD120-2 Passenger Compartment Fuse Details (2):




SD120-3 Passenger Compartment Fuse Details (3):




SD120-4 Passenger Compartment Fuse Details (4):




SD120-5 Passenger Compartment Fuse Details (5):




SD120-6 Passenger Compartment Fuse Details (6):




SD120-7 Passenger Compartment Fuse Details (7):




SD120-8 Passenger Compartment Fuse Details (8):




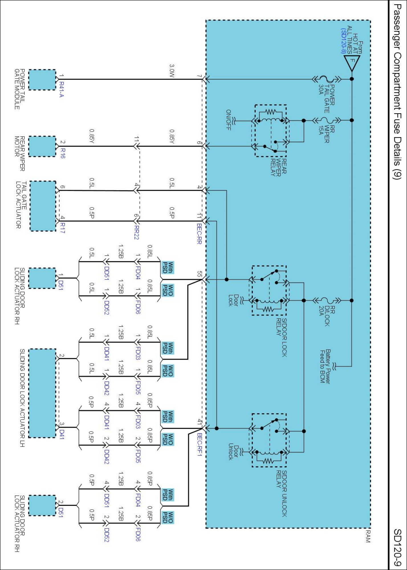
SD120-9 Passenger Compartment Fuse Details (9):




SD120-10 Passenger Compartment Fuse Details (10):