Electrical Diagrams
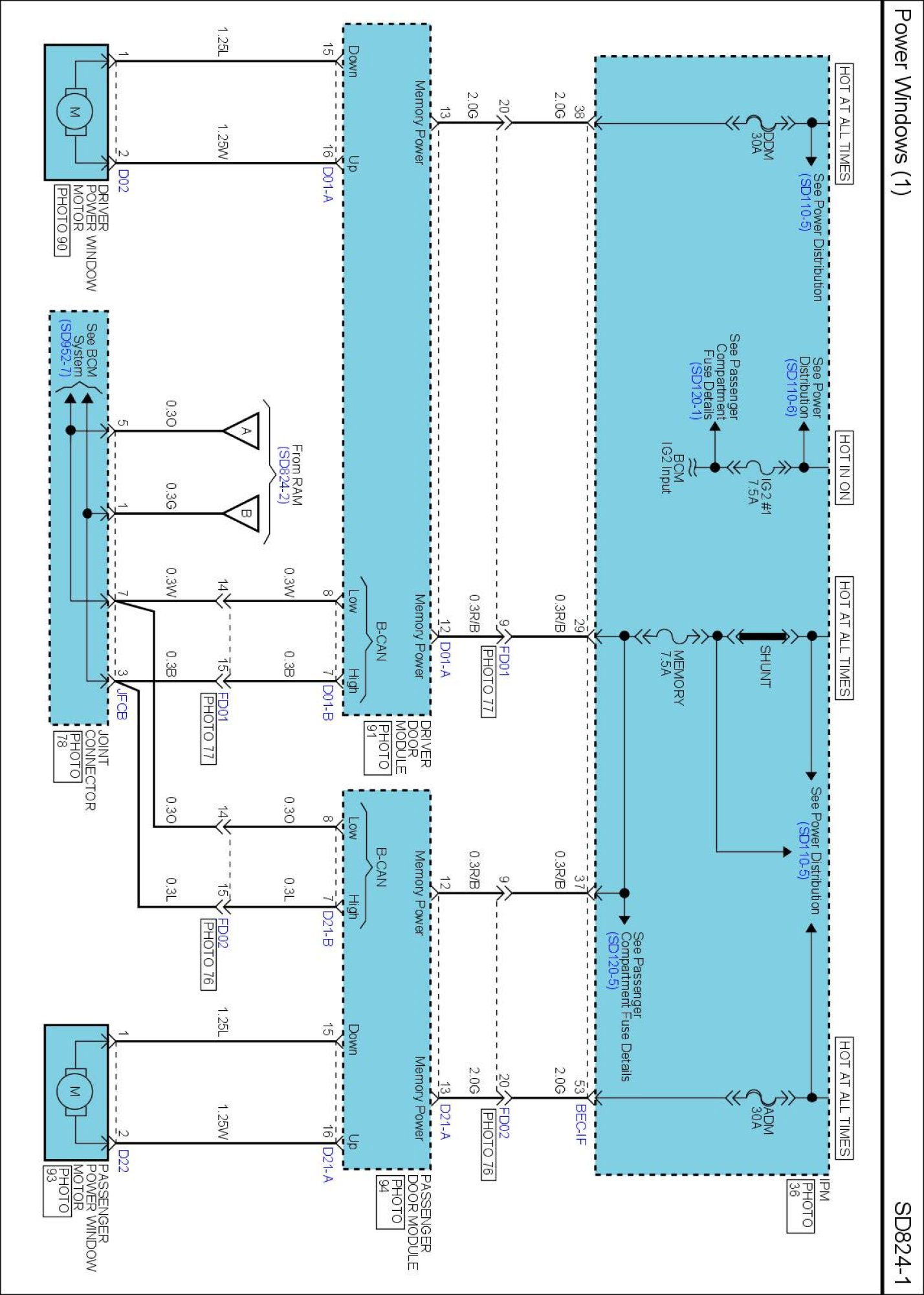
SD824-1 Power Windows (1):

SD824-2 Power Windows (2):

SD824-3 Power Windows (3):

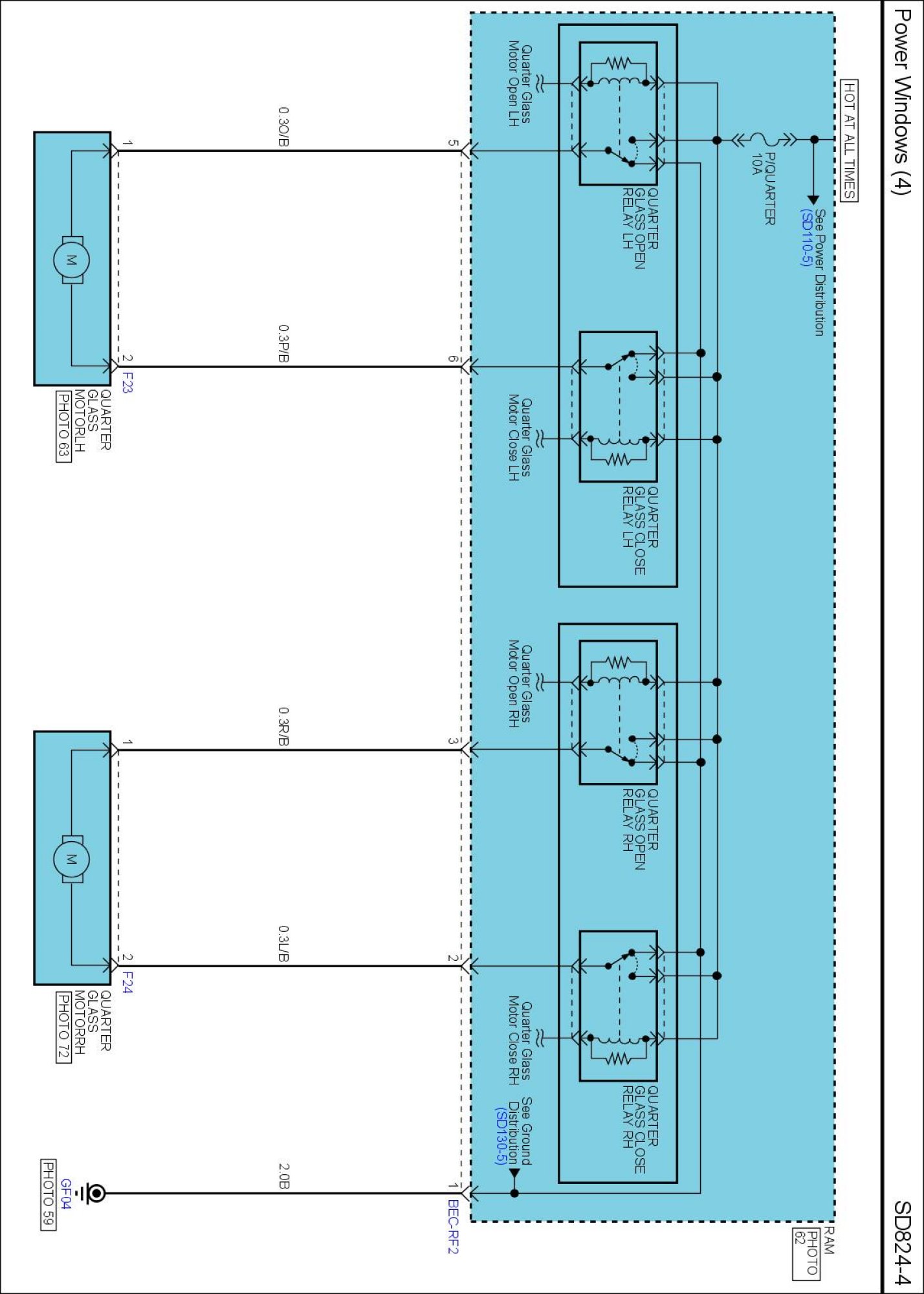
SD824-4 Power Windows (4):

Power Windows (5) Connector Pin Outs:

Diagrams: Other diagrams referred to by SD number (i.e. SD130-4, etc.) within these diagrams can be found at Diagrams by Number. Diagrams By Number
Locations: Location photographs (references to PHOTOS) referred to within these diagrams can be found via the photo number at the vehicle level under Locations by Photo Number. Locations By Photo Number