Operation CHARM
: Car repair manuals for everyone.
Home
>>
Kia
>>
2011
>>
Sedona V6-3.5L
>>
Repair and Diagnosis
>>
Instrument Panel, Gauges and Warning Indicators
>>
Tire Monitoring System
>>
Diagrams
>>
Electrical Diagrams
>>
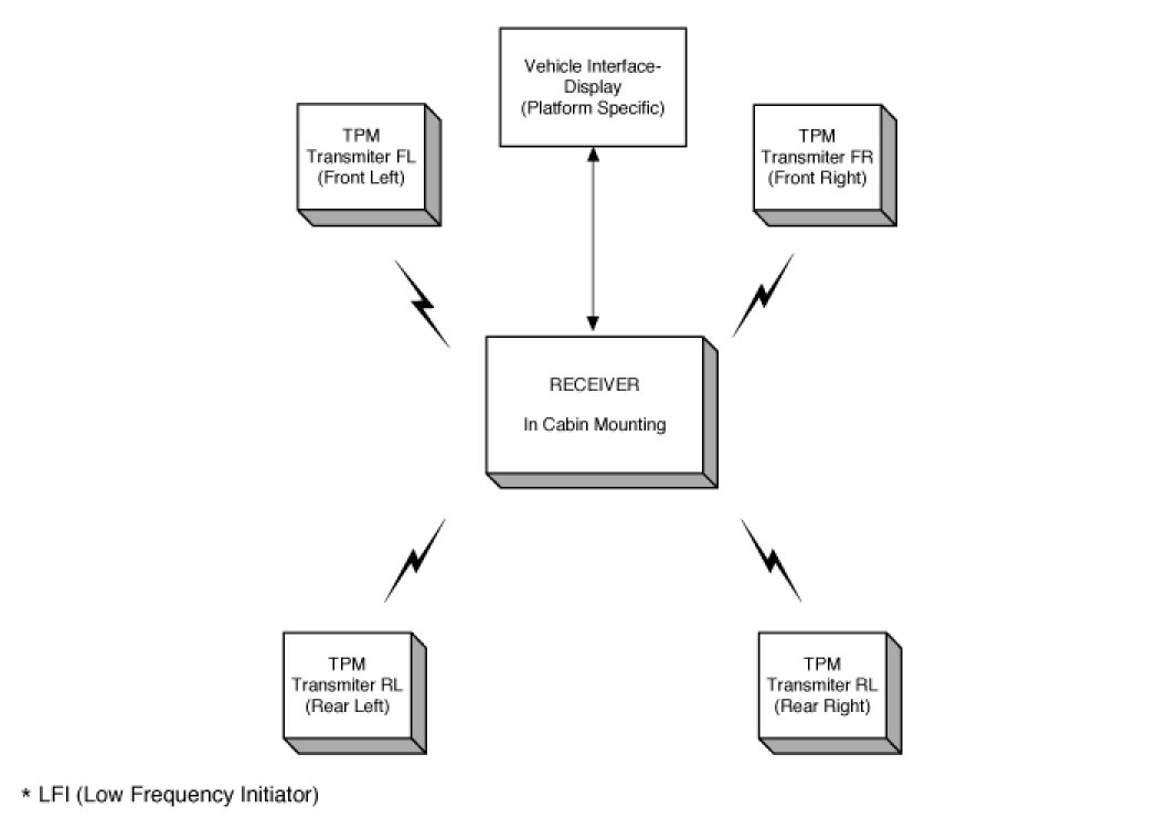
Schematic Diagram
Schematic Diagram
SCHEMATIC DIAGRAM
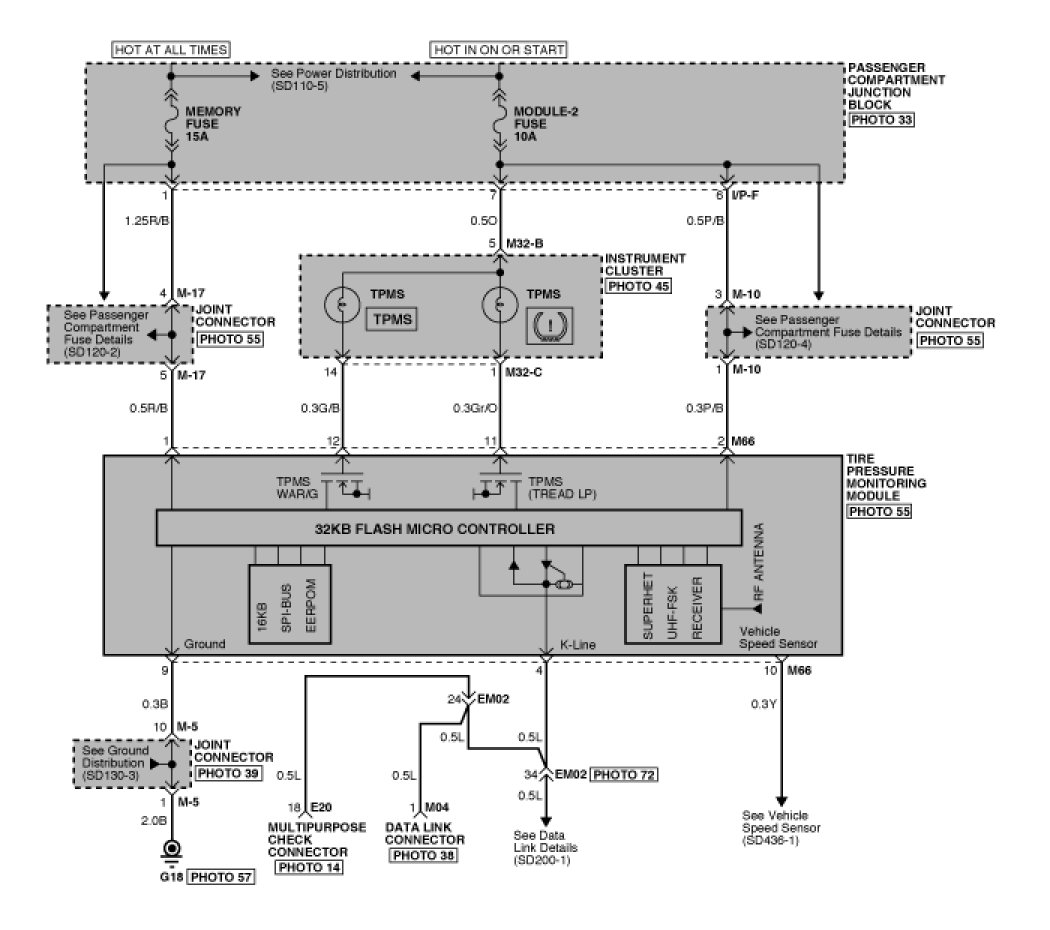
CIRCUIT DIAGRAM