Electrical Diagrams
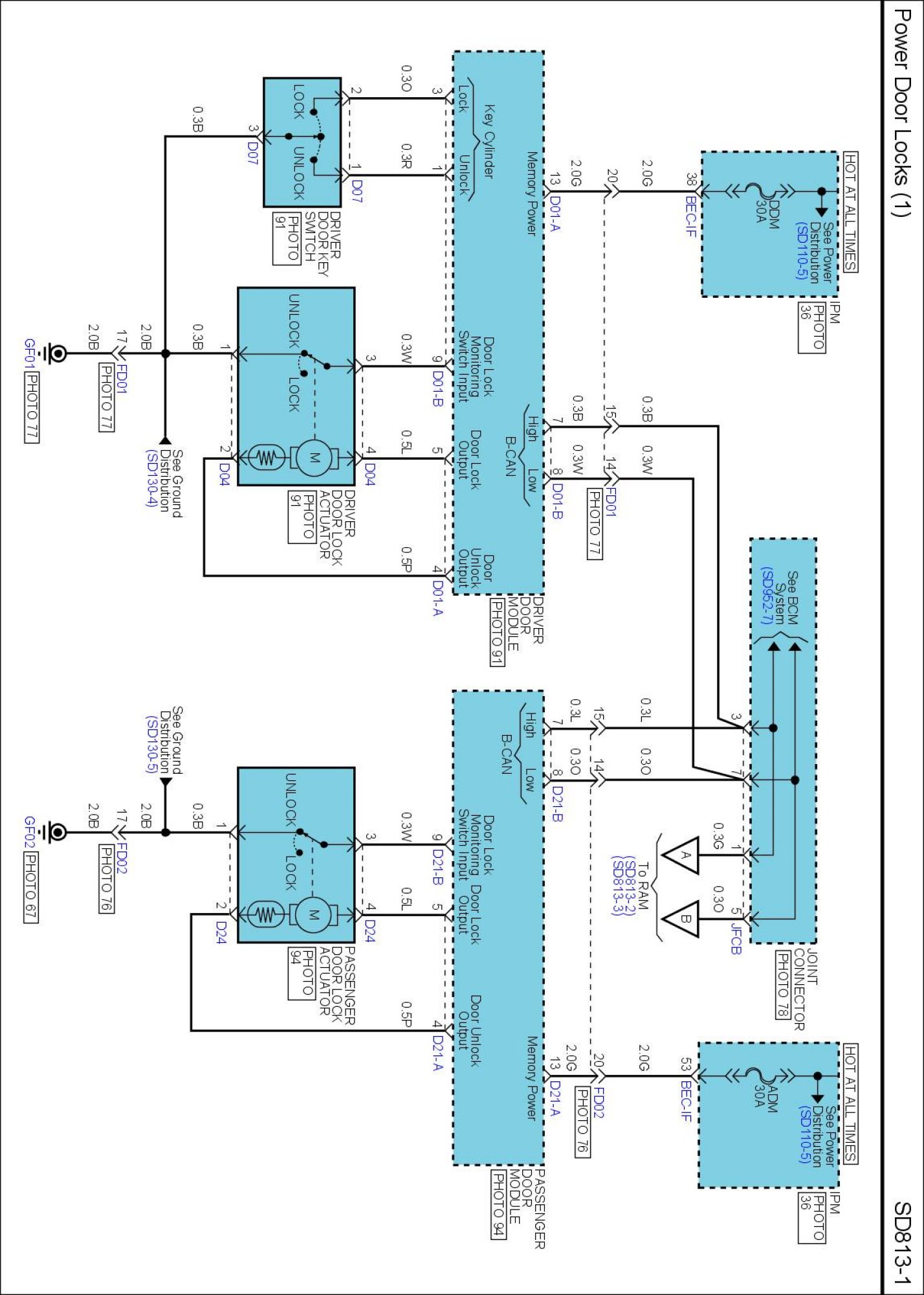
SD813-1 Power Door Locks (1):

SD813-2 Power Door Locks (2):

SD813-3 Power Door Locks (3):

Power Door Locks (4) Connector Pin Outs:

Diagrams: Other diagrams referred to by SD number (i.e. SD130-4, etc.) within these diagrams can be found at Diagrams by Number. Diagrams By Number
Locations: Location photographs (references to PHOTOS) referred to within these diagrams can be found via the photo number at the vehicle level under Locations by Photo Number. Locations By Photo Number