Trunk / Liftgate: Description and Operation
DESCRIPTION
Power tail gate is an electro-mechanical system designed to provide power opening and closing of a vehicle's tail gate through the push of a button of the transmitter key or tail gate handle or the overhead console or switch of the tail gate.
The power tail gate will reverse direction of travel if resistance to movement is detected while the tail gate is being closed. If resistance to movement is detected while the power tail gate is being opened, the tail gate will stop moving.
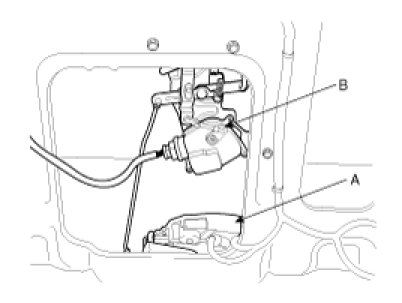
1. PTG DRIVE UNIT
Power tailgate drive unit consists of a DC motor, optical sensor, clutch, push rod, rack and wire harness.
PTG drive unit is located in rear left on D-pillar panel. PTG drive unit opens and closes the tail gate connected push rod automatically.

A. Optical sensor : Provides tail gate velocity and position information
B. Drive unit clutch : Transmit motor power to push rod through pinion gear.
2. POWER LATCH
Power latch is located in the lower part of tail gate panel. When tail gate located latching position, cinching motor (A) has a cinch electrically. And unlatch motor (B) unlatch the latch electrically when receive the open signal.

3. ANTI PINCH STRIP (C)
During power closing or cinching, the PTG system shall reverse to full open if an anti-pinch strip signal is received. However, the anti-pinch strips will not work when the Tailgate is idle in the full closed, full open, or stopped positions.

4. PTG CHIME (D)
When a power operation cannot be performed as requested or an obstacle has been detected.

5. REMOTE KEYLESS ENTRY (A)

Push the power tail gate (A) of the remote keyless entry more than 0.5s to open the power tail gate. Power Open operation shall be reversed when an additional Open/Close signal is received during power opening.
6. OPERATING ORDER
Switch ON -> clutch on -> motor operation -> pinion gear rotation -> rack rectilinear motion -> push rod motion -> tail gate open/close
OPERATION
POWER TAIL GATE OPEN/CLOSE
1. The power tail gate is opened and closed automatically if the main switch (A) is pressed on the overhead console.

2. When the power ON/OFF button (PWR) (B) is ON, the power sliding door and power tailgate can be opened and closed automatically by using the switch.
3. When the power tail gate door will power open/close fully, the warning lamp and the chime will operate 3 times.
4. General rules for chime functions
A. Chime & tail lamp shall operate prior to and during power opening or closing the Tailgate : 3 Times (0.5 sec on, 0.5 sec off), after 1 chime start opening or closing with two chimes.
B. Chime shall operate when a power operation cannot be performed as requested except handle pull : 1 Time (Duration 0.5 second on)
C. Chime shall operate when an obstacle has been detected : 3 Times (0.5 sec on, 0.5 sec off)
D. Chime shall operate if PTG has not reached primary latch position after a power cinch cycle : 3 Times (0.5 sec on, 0.5 sec off)
POWER TAIL GATE OPERATING CONDITION
1. The tail gate will not power open when vehicle is moving above 3 mph (5 km/h) or the gearshift lever is not in P (Park) for automatic transaxle.
2. The power tail gate will not open with the transmitter or the main control button when all power sliding doors are locked and closed.
3. The power tail gate will detect the resistance, then stop movement or move to the full open position to allow the object to be cleared.
4. If the automatic stop and reversal feature operates continuously more than twice during one opening or closing operation, the power tail gate may stop at that position. At this time, close the tailgate manually and operate the tailgate automatically again.
5. The PTG system is an electronic device and requires a minimum battery voltage to operate. The Electronic Control Unit (ECU) monitors the battery voltage present at the ECU input battery input and will not permit operation if the battery voltage is out of range.
6. If the PTG button is pressed during closing operation, the power tail gate may reverse direction and open fully.
7. Remove the accumulated snow or ice on the power tail gate before operating.
NOTE:
- To prevent the battery from being discharged, do not leave the power sliding door and power tailgate at open position for a long time.
- The PTGM will go to a sleep mode and power operation will be disabled if the tail gate is left open longer than 6 hours.
Manually close the tail gate to the latched position to reset the PTGM. Power operation will be restored.
WARNING:
- Always disconnect the negative battery cable before attempting any power tailgate system service.
- Never attempt to enter or exit the vehicle with the tailgate in motion. You could be injured or cause damage to the power tailgate system and or components.
POWER OPERATION
The PTG system shall not open the Tailgate when the vehicle is moving.
The PTG system shall operate through the full range of Tailgate travel.
The PTG system shall learn the position of each travel extreme: full open and full closed.

1. Vehicle condition
Moving
A. (IGN=OFF and Vehicle Speed > 5 km/h) or (IGN= ON and (Vehicle Speed > 5 km/h or TRANS - not P/N))
Not moving
A. (IGN=OFF and Vehicle Speed < 5 km/h) or (IGN= ON and (Vehicle Speed < 5 km/h and TRANS - P/N))
2. TAILGATE TRAVEL ZONES
The Tailgate travel is divided into four zones starting at the full closed and latched position. Dimensions are at the bottom edge of the Tailgate and are approximate.
Zone 1 : Power Latching - from primary to secondary latch (0 to 10 mm depending on latch travel).
Zone 2 : Between Secondary and Crossover Point (Secondary to 20 degrees)
Zone 3 : Between Crossover Point and Power Off (20 degrees to 79 degrees)
Zone 4 : Power Off to Full Open - approximately 5° (15 counts from full open)