Operation CHARM
: Car repair manuals for everyone.
Home
>>
Kia
>>
2011
>>
Sedona V6-3.5L
>>
Repair and Diagnosis
>>
Accessories and Optional Equipment
>>
Antitheft and Alarm Systems
>>
Diagrams
>>
Electrical Diagrams
>>
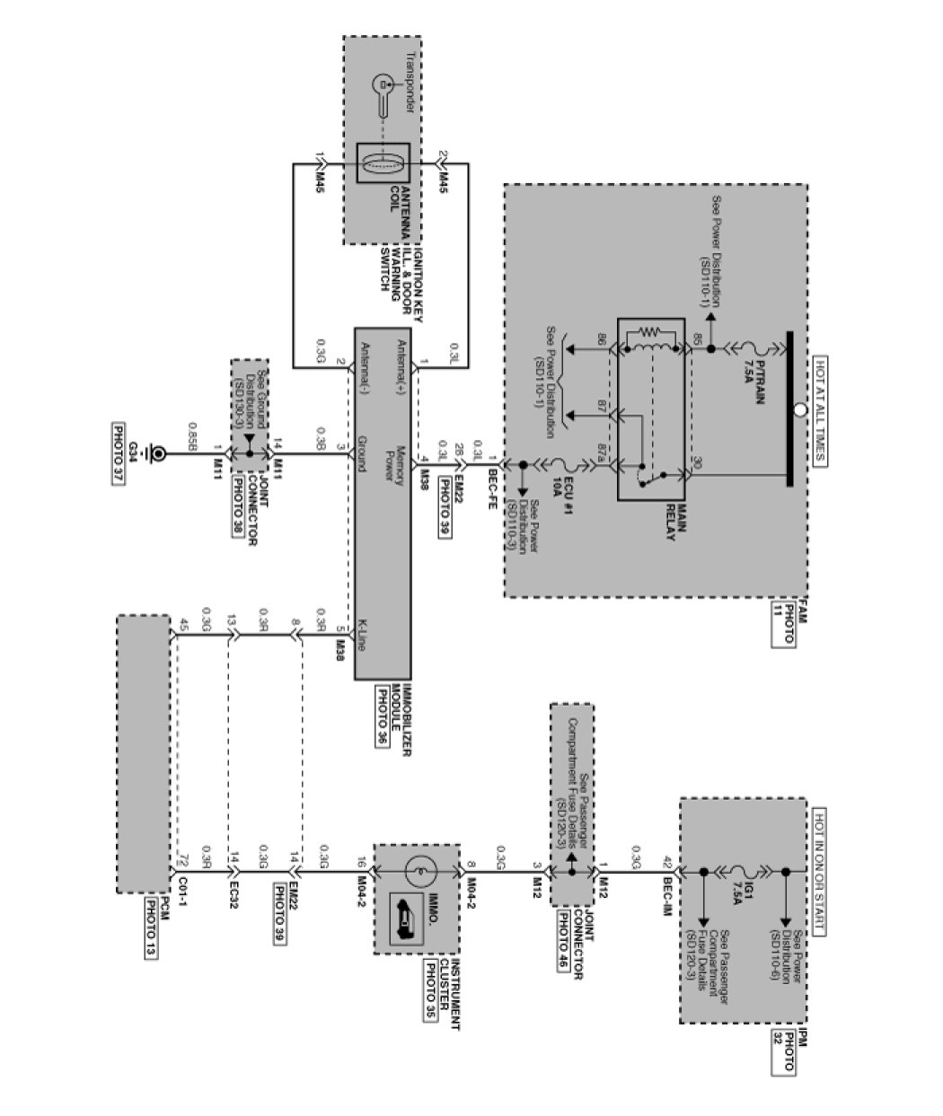
Circuit Diagram
Circuit Diagram
CIRCUIT DIAGRAM