Operation CHARM
: Car repair manuals for everyone.
Home
>>
Kia
>>
2011
>>
Sedona V6-3.5L
>>
Repair and Diagnosis
>>
Restraints and Safety Systems
>>
Diagrams
>>
Electrical Diagrams
>>
Schematic Diagrams (to 2010-12-14)
Schematic Diagrams (to 2010-12-14)
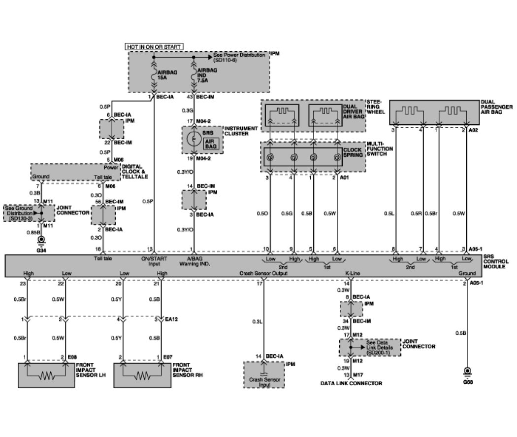
Circuit Diagram (1)
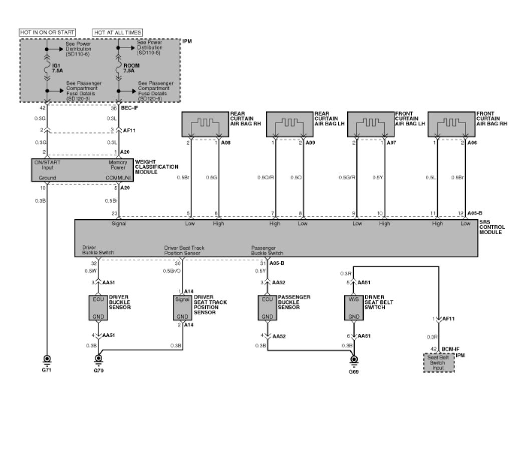
Circuit Diagram (2)
Circuit Diagram (3)
SRSCM Connector Terminal
SRSCM Harness Connector