Engine and Transaxle Assembly
Removal
CAUTION:
- Use fender covers to avoid damaging painted surfaces.
- To avoid damage, unplug the wiring connectors carefully while holding the connector portion.
NOTE:
- Mark all wiring and hoses to avoid misconnection.
- For release the fuel system pressure before remove the engine assembly, start the engine without fuel pump relay. And then turn off the ignition switch after engine stops.
1. Disconnect the battery negative terminal (A).
Tightening torque:
4.0 - 6.0 N.m (0.4 - 0.6 kgf.m, 3.0 - 4.4 lb-ft)
2. Remove the engine cover (B).
3. Remove the radiator grille upper cover (C).

4. Remove the air cleaner assembly.
(1) Disconnect the breather hose (A) and the BARO(Barometric pressure) sensor connector (B).
(2) Disconnect the air intake hose and then remove the air cleaner assembly (C).
Tightening torque
Hose clamp bolt:
2.9 - 4.9N.m (0.3 - 0.5kgf.m, 2.2 - 3.6lb-ft)
Air cleaner assembly bolts:
7.8 - 9.8N.m (0.8 - 1.0kgf.m, 5.8 - 7.2lb-ft)

5. Disconnect the battery positive terminal (A) and then remove the battery clamp (B), battery (C).
Tightening torque:
(+) terminal : 9.8 - 11.8 N.m (1.0 - 1.2 kgf.m, 7.2 - 8.7 lb-ft)
Clamp nut : 9.8 - 11.8 N.m (1.0 - 1.2 kgf.m, 7.2 - 8.7 lb-ft)

6. Remove the battery tray (A).
Tightening torque:
9.8 - 11.8 N.m (1.0 - 1.2 kgf.m, 7.2 - 8.7 lb-ft)

7. Remove the under cover (A).

8. Loosen the drain plug (A), and drain the coolant. Remove the radiator cap to speed draining.

WARNING:
Never remove the radiator cap when the engine is hot.
Serious scalding could be caused by hot fluid under high pressure escaping from the radiator.
9. Remove the radiator upper hose (A) and lower hose (B).

10. Disconnect the RH rear oxygen sensor connector (A).

11. Disconnect the LH rear oxygen sensor connector (A).

12. Remove the high pressure pipe and low pressure pipe.
13. Disconnect the engine wiring.
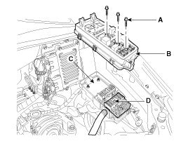
(1) Remove the engine room fuse and relay box cover (A).
(2) Disconnect the ECM connectors (B).
(3) Disconnect the FAM connectors (C).

(4) Remove the FAM mounting bolts (A) and take the FAM (B) out of the splash shield (C).
(5) Disconnect the connector (D) from the splash shield (C).

14. Disconnect the front connector (A).

15. Remove the transaxle wire harness connectors and control cable from the transaxle.
16. Disconnect the heater hose (A).

17. Disconnect the PCSV hose (A), fuel hose (B), brake booster vacuum hose (C).

18. Remove the power steering pump hose, and disconnect the power steering return hose.
19. Remove the radiator support upper member assembly (A) for convenience sake.
Tightening torque:
0.8 - 10.8 N.m (0.9 - 1.1 kgf.m, 6.5 - 7.9 lb-ft)

NOTE:
The bottom side bolt (A) which can be seen after removing the under cover should be loosened for removal of the radiator support upper member assembly.

20. Remove the front muffler (A).
Tightening torque:
39.2 - 58.8 N.m (4.0 - 6.0 kgf.m, 28.9 - 43.4 lb-ft)

21. Remove the front wheels.
22. Remove the shock absorbers, the stabilizer bar links and the tie rod ends.
23. Disconnect the drive shafts from the axle hub.
24. Remove the steering u-joint mounting bolt (A).

25. Support the sub frame (A) with a floor jack, and then remove the sub frame mounting bolts.
Tightening torque:
Bolts (C): 44.1 - 58.8 N.m (4.5 - 6.0 kgf.m, 32.5 - 43.4 lb-ft)
Bolts (B): 156.9 - 176.5 N.m (16.0 - 18.0 kgf.m, 115.7 - 130.2 lb-ft)

26. Disconnect the ground cable (A), and then remove the engine mounting bracket (B).
Tightening torque:
Bolts (C) & Nut (D):
88.3 - 107.9 N.m (9.0 - 11.0 kgf.m, 65.1 - 79.6 lb-ft)

27. Disconnect the ground cable (A), and then remove the transaxle mounting bracket through bolt (B).
Tightening torque:
88.3 - 107.9 N.m (9.0 - 11.0 kgf.m, 65.1 - 79.6 lb-ft)

28. Remove the engine and transaxle assembly by lifting vehicle.
CAUTION:
When remove the engine and transaxle assembly, be careful not to damage any surrounding parts or body components.
Installation
Installation is in the reverse order of removal.
Perform the following :
- Adjust a shift cable.
- Adjust a throttle cable.
- Refill engine with engine oil.
- Refill a transaxle with fluid.
- Refill power steering fluid.
- Refill a radiator and a reservoir tank with engine coolant.
- Place a heater control knob on "HOT" position.
- Clean battery posts and cable terminals and assemble.
- Inspect for fuel leakage.
- After assemble the fuel line, turn on the ignition switch (do not operate the starter) so that the fuel pump runs for approximately two seconds and fuel line pressurizes.
- Repeat this operation two or three times, then check for fuel leakage at any point in the fuel line.
- Bleed air from the cooling system.
- Start engine and let it run until it warms up. (until the radiator fan operates 3 or 4 times.)
- Turn Off the engine and let it cool down. Check the level in the radiator, add coolant if needed. This will allow trapped air to be removed from the cooling system.
- Put radiator cap on tightly, then run the engine again and check for leaks.