Instrument Cluster / Carrier
SD941-1 Illuminations (1):

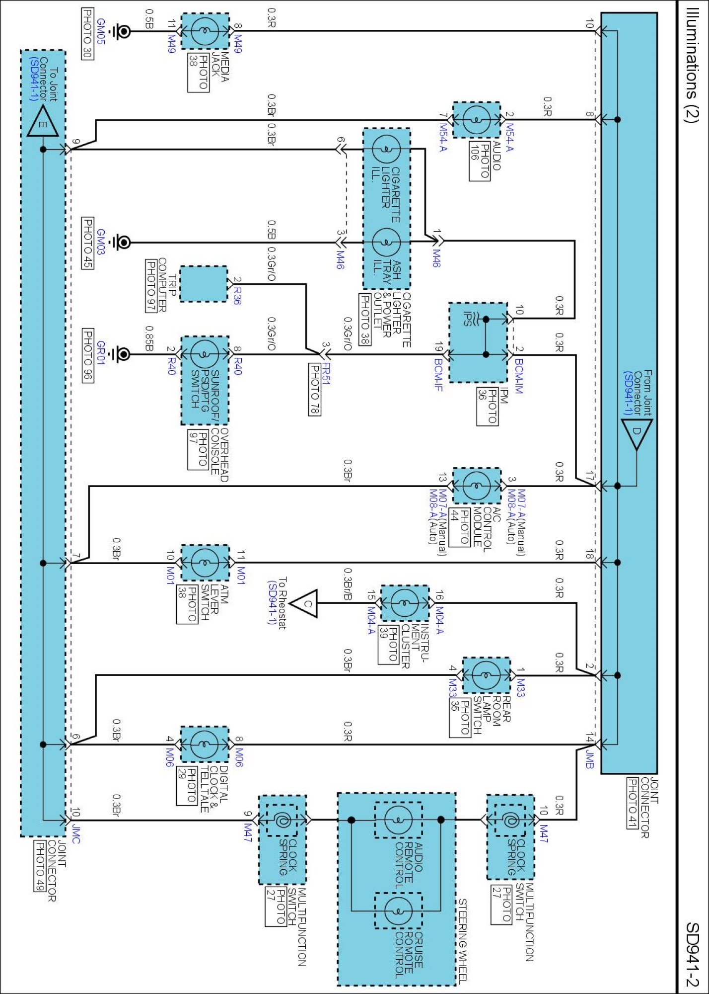
SD941-2 Illuminations (2):

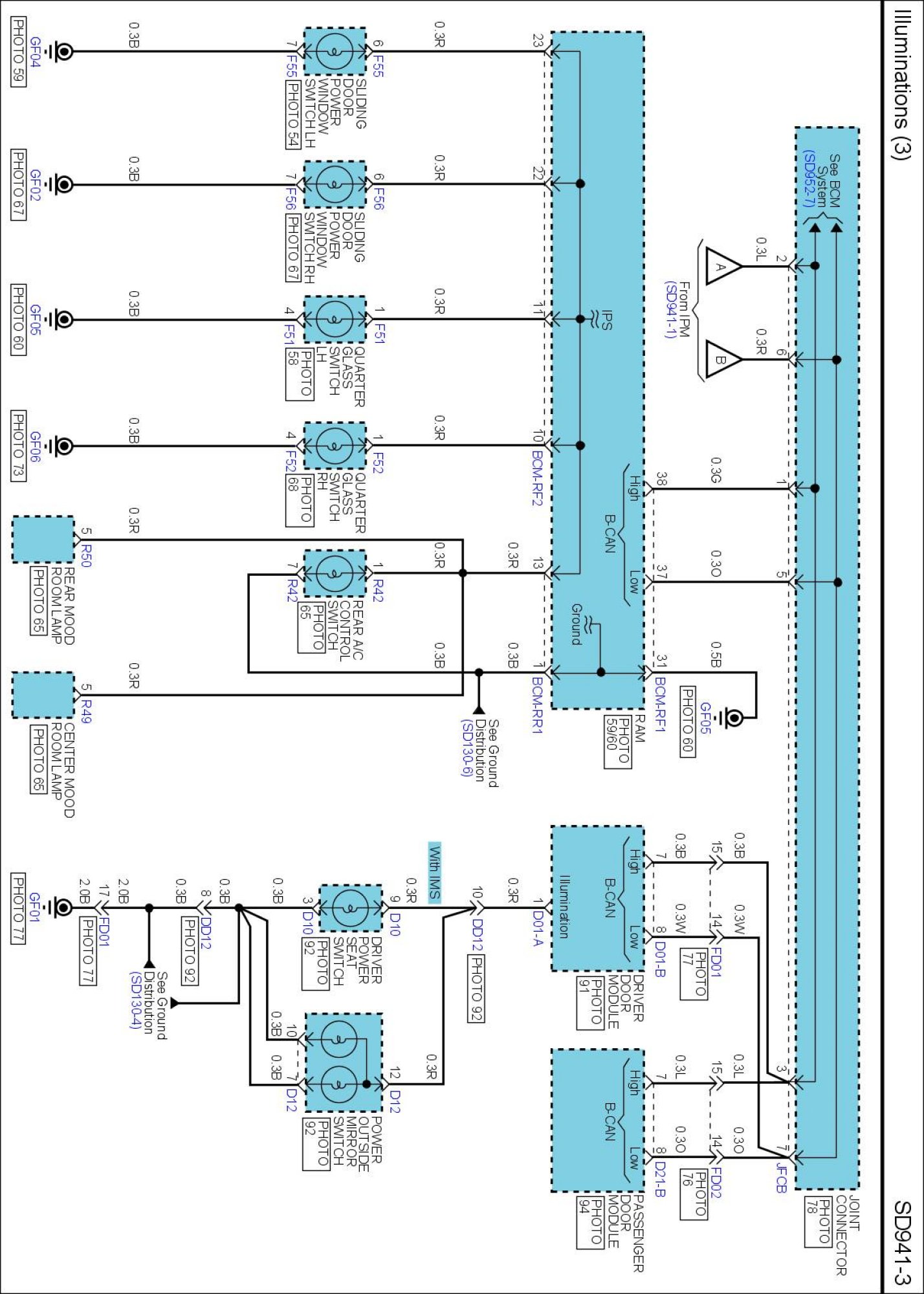
SD941-3 Illuminations (3):

Illuminations (4) Connector Pin Outs:

Illuminations (5) Connector Pin Outs:

Diagrams: Other diagrams referred to by SD number (i.e. SD130-4, etc.) within these diagrams can be found at Diagrams by Number. Diagrams By Number
Locations: Location photographs (references to PHOTOS) referred to within these diagrams can be found via the photo number at the vehicle level under Locations by Photo Number. Locations By Photo Number