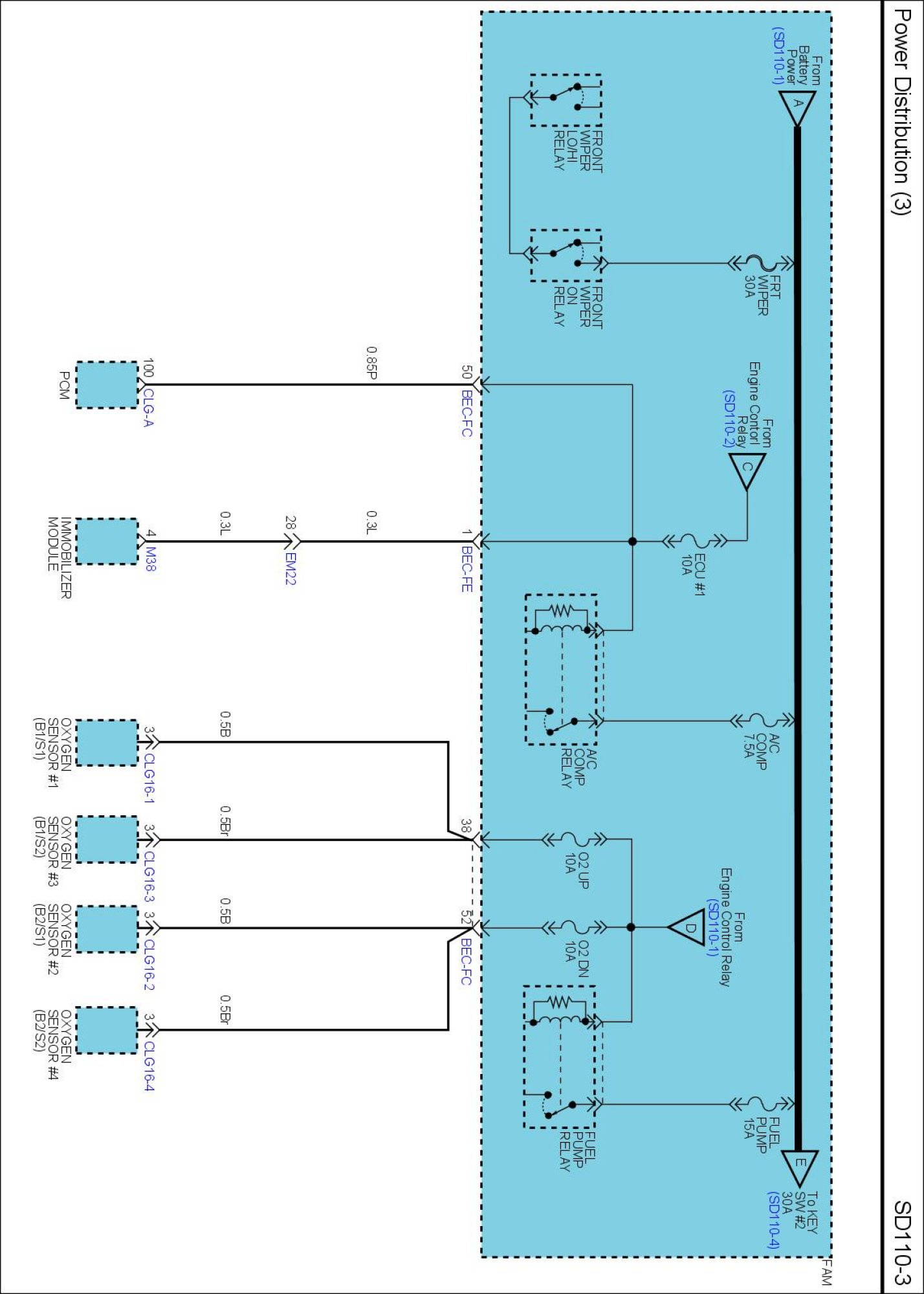
Power Distribution (3)
SD110-3 Power Distribution (3):

Next Diagram: Power Distribution (4)
Previous Diagram: Power Distribution (2)
Locations: Location photographs (references to PHOTOS) referred to within these diagrams can be found via the photo number at the vehicle level under Locations by Photo Number. Locations By Photo Number