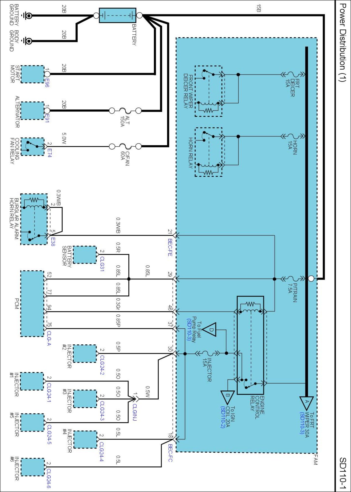
Power Distribution (1)
SD110-1 Power Distribution (1):

Next Diagram: Power Distribution (2)
Locations: Location photographs (references to PHOTOS) referred to within these diagrams can be found via the photo number at the vehicle level under Locations by Photo Number. Locations By Photo Number